Tutorial de Programación de PICs en Ensamblador

ProgramaciónEste tutorial estuvo mucho tiempo alojado en la wiki de ARDE después de que lo tradujese. De esto hace ya más de 6 años. Pero creo que la base era muy buena, y sigue siendo válida para aprender a programar un PIC. Además de traducirlo , lo comenté y lo mejoré todo lo que pude, para que sirva a todos los hispanohablantes. Ahora esa wiki de ARDE ya no existe, Y he creído conveniente conservar el trabajo que hice aquí en mi blog. Pronto también estará disponible en el nuevo formato de ARDE. Para algunos que lo tenias como referencia, lo incluyo completo en este post. Espero que siga siendo de utilidad para todos vosotros.

NOTA Inicial :  Este tutorial fue escrito originalmente en ingles por Michael Stracey. Actualmente no existe el tutorial original en inglés en internet. Este se sacó de aquellas páginas. Simplemente pretendo mencionar al autor original del mismo como agradecimiento. Ese texto está dividido en una introducción mas 13 tutoriales, que aquí se han asimilado todos como capítulos. La traducción intenta ser lo más fiel posible al texto original, pero hay expresiones coloquiales que utiliza el autor que han sido adaptadas a versiones más comunes del castellano. Otras expresiones o notas añadidas al texto original están indicadas convenientemente y marcadas como «notas de la traducción«. El nivel del tutorial puede considerarse básico, pero cubre bastante bien la mayoría de los tópicos de la programación en ensamblador para PICs Microchip.


Tabla de Contenidos
1. Introducción al PIC
2. Conectarse al microcontrolador PIC
3. Buenas técnicas para programar
4. Los Registros
5. Cómo escribir en los puertos
6. Bucles de Retardo
7. Subrutinas
8. Cómo leer de los puertos E/S
9. Operadores Lógicos y Aritméticos
10. Operaciones con Bits
11. Tablas de Datos
12. Interrupciones: una introducción
13. El Watchdog Timer
Referencias

1. Introducción al PIC

Introducción

Bienvenidos al inicio del Tutorial sobre PICs. Estas páginas te llevaran desde la estructura básica del dispositivo, hasta los métodos y técnicas de programación. También habrá sugerencias de como modificar el código para que lo puedas adaptar el PIC a tus propias aplicaciones. No incluiré diagramas de arquitectura interna, ya que esto puede llevar a confusiones. Si quieres echar un vistazo a la ‘datasheet’, la puedes bajar del sitio de Microchip.

Para empezar, echemos un vistazo al PIC.

Microcontrolador Microchip PIC 16F84

Microchip fabrica una serie de microcontroladores llamados PIC. Puedes ver toda la gama de sus microcontroladores aquí . Los hay disponibles de distintas capacidades, desde algunos tipos básicos con poca memoria, hasta los que tienen convertidores Analógico a Digital (ADC) incluidos o incluso los que llevan dentro PWMs (Pulse Width Modulators = Modulación por Ancho de Pulso). Voy a concentrarme en el PIC 16F84. Una vez que aprendas como programar un tipo de PIC, aprender el resto será fácil.

Hay diversas formas de programar el PIC, – usando BASIC, C, o Lenguaje Ensamblador. Voy a mostrarte el Lenguaje Ensamblador. No te asustes. Solo hay 35 instrucciones que aprender, y es la manera más económica de programar los PICs, ya que no necesitas ningún otro software extra que no sea de los gratuitos.

Los pines del 16F84

Mas abajo verás el diagrama de patillas(pines en adelante) del PIC 16F84. Pasaré por cada pin, explicando para que se utiliza cada uno.

TutorialPIC_Pines_PIC16F84

  • RA0 a RA4

RA es un puerto bidireccional. Eso quiere decir que puede ser configurado como entrada o como salida. El número que hay después de RA indica el numero de bit (0 a 4). Por tanto, tenemos un puerto bidireccional de 5 bits donde cada bit puede ser configurado como entrada o como salida.

  • RB0 a RB7

RB es un segundo puerto bidireccional. Se comporta exactamente de la misma manera que RA, excepto que este tiene 8 bits.

  • VSS y VDD

Estos son los pins de alimentación. VDD es la alimentación positiva, y VSS es el negativo de la alimentación, o 0 Voltios. La tensión máxima de alimentación que puedes utilizar son 6 Voltios, y el mínimo son 2 Voltios.

  • OSC1/CLK IN y OSC2/CLKOUT

Estos pines son donde conectaremos el reloj externo, para que el microcontrolador disponga de algún tipo de temporización.

  • MCLR

Este pin se utiliza para borrar las posiciones de memoria dentro del PIC (p.ej. cuando quiero reprogramarlo). Durante el funcionamiento normal está conectado a la alimentación positiva.

  • INT

Este es un pin de entrada que puede ser monitorizado. Si el pin se pone a nivel alto, podemos hacer que el programa se reinicie, se pare o cualquier otra función de deseemos. No lo utilizaremos mucho.

  • TOCK1

Esta es otra entrada de reloj, que opera con un temporizador interno. Opera aisladamente del reloj principal. De nuevo, este tampoco lo utilizaremos mucho.

Como Programar el PIC

Bien, espero que no te hayas asustado mucho. Ahora, querrás conocer como programar el PIC, pero además de aprender las instrucciones de código de ensamble, ¿como programas realmente ese código y lo metes en el PIC? Pues hay dos maneras, la sencilla y la «Hazlo tu mismo». La manera sencilla es comprar un programador de PIC, que se conecte a tu PC, que trae un software con el que puedes programar el PIC. La «Hazlo tú mismo» se trata de que construyas tu propio programador y utilices software gratuito de Internet y lo programes de ese modo.

Si prefieres el método «hazlo tu mismo», te recomendaría este sitio. Pulsa sobre «Supported Programmers» para ver los circuitos. El más económico es el «TAIT Classic Programmer». El software para programar el PIC también lo puedes bajar de esa página, ves a «Download».

Si quieres ir por la vía fácil, echa un vistazo a los programadores en ebay.

Otro buen sitio de software gratuito es este. Este permite utilizar cualquier programador, puesto que el software es completamente configurable.

Cualquier método funcionará, ya que ambos darán el mismo resultado, programar el PIC.

Lo siguiente que necesitas es un ensamblador. Este convertirá el programa que escribas en un formato que el PIC comprende. El mejor es del propio Microchip, llamado MPLAB. Es un programa de ventanas, que incluye un editor, un simulador y el ensamblador. Este es un software escrito por los propios fabricantes del PIC, y por encima de todo es gratuito !!!

La siguiente imagen ilustra el proceso de programación de un PIC.
TutorialPIC_Assembler_Proceso_de_programacion_de_PICs

También recomiendo utilizar una placa de inserción para hacer tus circuitos, mientras juegas con el PIC. Hay varios tamaños disponibles.

A continuación veremos como conectar un circuito simple para el desarrollo con el PIC.

2. Conectarse al microcontrolador PIC

Una placa de entrenamiento sencilla

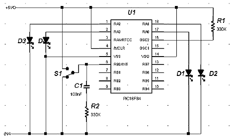
Bien, ahora ya tienes tu programador, y uno o dos PICs. Es muy simple conocer la teoría para saber como programar el PIC, pero el verdadero aprendizaje viene cuando intentas probar tu código en un PIC y ves los resultados en tu propio circuito. He incluido el diagrama de un circuito que muestra una placa de entrenamiento muy básica y económica. Por supuesto, le puedes añadir LEDs y switches, pero yo he dejado las patillas sin conectar. Puedes monitorizar los pines de entrada/salida conectando LEDs directamente a los pines, y se encenderán cuando los pines se pongan a nivel alto. También, puedes añadir switches a los pines, para poder seleccionar que pines poner a nivel alto, y cuales a nivel bajo. Básicamente, lo que estoy diciendo es que si comienzas con este circuito, puedes añadir lo que creas necesario.

TutorialPIC_PlacaEntrenamiento_basica

La linea de alimentación está puesta a 6 Voltios, que es el máximo voltaje para el PIC. Puedes utilizar cualquier voltaje inferior, hasta un mínimo de 2 Voltios. C3 es conocido como un condensador de ‘bypass’. Todo lo que se hace C3 es reducir el ruido de la linea de alimentación. X1 es un cristal de 4 MHz. Puedes utilizar un circuito RC (resistencia y condensador) (Nota de edición: Creación de un oscilador RC externo, por Microchip), pero el precio del cristal es insignificante, y es mas estable. C1 y C2 ayudan a reducir cualquier desviación en la oscilación cristal, y a eliminar cualquier ruido no deseado antes de que la señal llegue al PIC.

3. Buenas técnicas para programar

Antes de meternos en harina con la programación del PIC, creo que ahora es un buen momento para explicar algunas técnicas para programar bien.

Si escribes un ; (punto y coma) en cualquier punto de tu programa, el compilador ignorará cualquier cosa que haya detrás de él, hasta llegar al retorno de carro. Esto significa que podemos añadir comentarios a nuestro programa que nos recuerden que estábamos haciendo en ese punto. Esta es una buena práctica incluso para los programas más sencillos. Ahora mismo puede que entiendas completamente qué es lo que hace tu programa, pero dentro de unos meses, puede que te acabes tirando de los pelos. Por tanto, utiliza comentarios donde puedas , no hay límites.

Segundo, puedes asignar nombres a las constantes vía los registros (hablaremos de estos más adelante). Hace lo que estás escribiendo mucho más sencillo de leer, para saber de que valor se trata, mas que intentar entender que significan todos esos números. Así que utiliza nombres reales como CONTADOR. Date cuenta de que hemos puesto el nombre en letras mayúsculas. Esto lo hace destacar, y también significa (por convención) que se trata de una constante.

Tercero, añade algún tipo de cabecera en tus programas utilizando los punto y coma. Un ejemplo sería algo así:

;;;;;;;;;;;;;;;;;;;;;;;;;;;;;;;;;;;;;;;;;;;;;;;;;;;;;;;;;;;;;;
; Autor       :
; Fecha       :
; Versión     :
; Titulo      :
; Descripción :
;;;;;;;;;;;;;;;;;;;;;;;;;;;;;;;;;;;;;;;;;;;;;;;;;;;;;;;;;;;;;;

Date cuenta de que hemos hecho una especie de caja utilizando puntos y comas. Esto es simplemente para hacerlo más pulcro.

Finalmente, prueba y documenta el programa sobre papel también. Puedes usar o bien diagramas de flujo o bien algoritmos o lo que tu quieras. Esto te ayudará a escribir tu programa paso a paso.

Bien, eso es todo al respecto, vamos a entrar en materia.

4. Los Registros

Un registro es un lugar dentro del PIC que puede ser escrito, leído o ambas cosas. Piensa en un registro como si fuese un trozo de papel donde tu puedes ver la información o escribirla.

La figura de más abajo muestra el mapa de registros del interior del PIC16F84. No te preocupes si no has visto nada parecido antes, es solo para mostrar donde están los diferentes bits y piezas dentro del PIC, y nos ayudará a explicar unos cuantos comandos.

TutorialPIC_Registros

La primera cosa que notarás es que está dividido en dos – Banco 0 y Banco 1. El Banco 1 es utilizado para controlar las propias operaciones del PIC, por ejemplo para decirle al PIC cuales bits del Puerto A son entradas y cuales son salidas. El Banco 0 se utiliza para manipular los datos. Un ejemplo es el siguiente: Digamos que queremos poner un bit del puerto A a nivel alto. Lo primero que necesitamos hacer es ir al Banco 1 para poner ese bit o pin en particular en el puerto A como salida. Después volvemos al Banco 0 y enviamos un 1 lógico a ese pin.

Los registros que vamos a usar mas comunes en el Banco 1 son STATUS, TRISA y TRISB. El primero permite volver al Banco 0, TRISA nos permite establecer los pines que serán entradas y los que serán salidas del Puerto A, TRISB nos permite establecer los pines que serán entradas y los que serán salidas del puerto B.

Vamos a ver con más detenimiento estos tres registros.

  • STATUS

Para cambiar del Banco 0 al Banco 1 utilizamos el registro STATUS. Hacemos esto poniendo el bit 5 del registro STATUS a 1. Para cambiar de nuevo al Banco 0, ponemos el bit 5 del registro STATUS a 0. El registro STATUS se localiza en la dirección 03h (la ‘h’ significa que el número es hexadecimal).

  • TRISA y TRISB

Están localizados en las direcciones 85h y 86h respectivamente. Para programar que un pin sea una salida o una entrada, simplemente enviamos un 0 o un 1 al bit en cuestión en el registro. Ahora, podemos hacer esto ya sea en binario o en hexadecimal. Personalmente uso ambos, ya que el binario ayuda mucho a visualizar el puerto. Si no estás familiarizado con el paso de binario a hexadecimal y viceversa, utiliza una calculadora científica.

Entonces en el puerto A tenemos 5 pines, por tanto 5 bits. Si deseamos poner uno de los pines como entrada, enviamos un 1 al bit en cuestión. Si deseamos poner uno de los pines como salida, ponemos un 0 en ese bit. Los bits están definidos de manera correspondiente con los pines, en otras palabras el bit 0 es el RA0, el bit 1 es el RA1, el bit 2 es el RA2, y así sucesivamente. Vamos a tomar un ejemplo. Si queremos poner RA0, RA3 y RA4 como salidas, y RA1 y RA2 como entradas, enviamos esto: 00110 (06h). Date cuenta de que el bit cero está a la derecha, como se muestra aquí:

Pin del Puerto A RA4 RA3 RA2 RA1 RA0
Numero de bit 4 3 2 1 0
Valor Binario 0 0 1 1 0

Lo mismo se aplica para TRISB.

  • PORTA y PORTB

Para poner uno de nuestros pines de salida a nivel alto, simplemente ponemos un 1 el bit correspondiente en nuestro registro PORTA o PORTB. El formato es el mismo que para los registros TRISA y TRISB. Para leer si un pin está a nivel alto o nivel bajo en los pines de nuestro puerto, podemos ejecutar un chequeo para ver si el bit en particular correspondiente esta puesto a nivel alto (1) o está puesto a nivel bajo (0).

Antes de dar un ejemplo de código, tenemos que explicar dos registros mas – W y F.

  • W

El registro W es un registro de propósito general al cual le puedes asignar cualquier valor que desees. Una vez que has asignado un valor a ese registro, puedes sumarle cualquier otro valor, o moverlo. Si le asignas otro valor a W, su contenido es sobrescrito.

Un ejemplo de código

Vamos a darte un ejemplo de código sobre lo que acabamos de aprender. No intentes compilar esto todavía, lo haremos cuando hagamos nuestro primer programa. Simplemente estamos intentado mostrar como se hace la programación de lo anterior y de paso presentando un par de instrucciones. Vamos a poner el Puerto A como en el ejemplo anterior.

Lo primero, necesitamos cambiar del banco 0 al banco 1. Hacemos esto modificando el registro STATUS, que está en la dirección 03h, poniendo el bit 5 a 1.

BSF 03h,5

La instrucción BSF significa en ingles «Bit Set F» (Poner a 1 un bit de la Memoria). La letra F significa que vamos a utilizar una posición de memoria, o un registro en memoria. Vamos a utilizar dos números después de esta instrucción – 03h, el cual se refiere a la dirección del registro STATUS, y el número 5 que corresponde al número de bit. Por tanto, lo que estamos diciendo es «pon a 1 el bit 5 de la dirección de memoria 03h».

Ahora ya estamos en el banco 1.

MOVLW  b'00110'

Estamos poniendo el valor binario 00110 (la letra ‘b’ significa que el número está en binario) en nuestro registro de propósito general W. Podríamos haber hecho esto en hexadecimal, en cuyo caso nuestra instrucción hubiese sido:

MOVLW 06h

Cualquiera de las dos funcionará. La instrucción MOVLW significa en ingles «Move Literal Value into W», en castellano, mover un valor literal directamente al registro W.

Ahora necesitamos poner este valor en el registro TRISA para configurar el puerto:

MOVWF 85h

Esta instrucción, MOVWF, significa «poner los contenidos de W en el registro cuya dirección viene a continuación», en este caso la dirección 85h, que apunta a TRISA.

Nuestro registro TRISA ahora tiene el valor 00110 o mostrado gráficamente :

Pin del Puerto A RA4 RA3 RA2 RA1 RA0
Valor Binario 0 0 1 1 0
Entrada/Salida S S E E S

Ahora tenemos que configurar los pines del Puerto A, y para ello necesitamos volver al banco 0 para manipular cualquier dato.

BCF 03h,5

Esta instrucción hace lo contrario a BSF.  BCF, significa en ingles «Bit Clear F» (en castellano, poner a 0 un bit de la memoria). Los dos números que le siguen son la dirección del registro, en este caso del registro STATUS, y el número de bit, es este caso el 5. Así que lo que hemos hecho ahora es poner a 0 el bit 5 del registro STATUS.

Ya estamos de vuelta en el Banco 0.

Aquí está el código en un solo bloque:

    BSF       03h,5  ; Ve al banco 1 
    MOVLW     06h    ; Pon 00110 en W 
    MOVWF     85h    ; Mueve 00110 a TRISA 
    BCF       03h,5  ; Vuelve al Banco 0 

Léelo hasta que las entiendas. De momento ya hemos visto 4 instrucciones. ¡Solo nos quedan 31 para terminar!

5. Cómo escribir en los puertos

En el apartado anterior, hemos mostrado como configurar los pines de un puerto del PIC como entradas o como salidas. En este apartado, vamos a mostrar como enviar datos a los puertos. En el siguiente apartado terminaremos haciendo que un LED parpadee incluyendo el listado completo del programa y un diagrama de un circuito simple para que puedas ver al PIC haciendo exactamente lo que esperamos que haga. No intentes compilar o programar tu PIC con estos listados de aquí, ya que son solo ejemplos.

Primero, pongamos el bit 2 del puerto A como salida:

        bsf      03h,5    ; Ir al Banco 1 
        movlw    00h      ; Poner 00000 en W 
        movwf    85h      ; Mover 00000 al TRISA – todos los pines como salidas. 
        bcf      03h,5    ;volver al Banco 1 

Esto te sonará del apartado anterior. La única diferencia es que hemos puesto todos los pines del Puerto A como salidas, poniendo 0h en el registro tri-estado (TRISA).

Ahora lo que tenemos que hacer es encender el LED. Hacemos esto poniendo uno de los pines (aquel que tenga el LED conectado) a nivel alto. En otras palabras, enviamos un 1 al pin. Así es como se hace (Mira los comentarios de cada linea):

         movlw    02h      ; Escribe 02h en el registro W. En binario es 00010,
                           ; ...lo cual pone a 1 el bit 2 (pin 18) mientras mantiene los otros pines a 0.
         movwf    05h      ; Ahora mueve los contenidos de W (02h) al puerto A, cuya dirección es 05h. 

Por tanto, ahora tu LED está encendido, y ahora queremos apagarlo:

         movlw    00h      ; Escribe 00h en el registro W. Esto pone a 0 todos los pines. 
         movwf    05h      ; Ahora mueve todos los contenidos de W (0h) al puerto A, cuya dirección es 05h. 

Así que lo que hemos hecho ha sido encender y apagar el LED una vez.

Lo que queremos es que el LED se encienda y se apague continuamente. Para hacer esto tenemos que volver al principio del programa. Para conseguir esto lo primero que hacemos es poner una etiqueta al comienzo de nuestro programa, y diciéndole al programa que vaya a ese punto constantemente.

Definimos una etiqueta muy simple. Escribimos un nombre, digamos INICIO, entonces el código queda:

Inicio   movlw     02h      ; Escribe 02h en el registro W. En binario es 00010,
                            ; ...lo cual pone a 1 el bit 2 (pin 18) mientras mantiene los otros pines a 0.
         movwf     05h      ; Ahora mueve los contenidos de W (02h) al puerto A, cuya dirección es 05h.
         movlw     00h      ; Escribe 00h en el registro W. Esto pone a 0 todos los pines.
         movwf     05h      ; Ahora mueve todos los contenidos de W (0h) al puerto A, cuya dirección es 05h.
         goto      Inicio   ; ve donde esté Inicio.

Como puedes ver, primer decimos la palabra ‘Inicio’ justo al comienzo del programa. Después, justo al final del programa decimos simplemente ‘goto Inicio’, ve a Inicio. La instrucción ‘goto‘ significa en ingles ‘ir a’, y eso es lo que hace.

Este programa encenderá y apagará el LED constantemente, desde el momento que le demos alimentación al circuito, y se detendrá cuando le quitemos la alimentación.

Creo que deberíamos echar un vistazo de nuevo a nuestro programa:

         bsf       03h,5
         movlw     00h
         movwf     85h
         bcf       03h,5
Inicio   movlw     02h
         movwf     05h
         movlw     00h
         movwf     05h
         goto      Inicio

Bien, he quitado los comentarios. Pero, ¿ te das cuenta de que todo lo que vemos son instrucciones y números ? Esto puede ser algo confuso si mas tarde intentas depurar el programa, y también cuando escribes código que te tengas que acordar de todas las direcciones de memoria. Incluso con los comentarios puestos, puede ser un poco lioso. Lo que necesitamos es dar nombres a estos números. Esto se consigue con otra instrucción: «equ»

La instrucción «equ» simplemente significa que algo equivale a algo [Nota de la traducción: «equ» viene del termino ingles «equivalence», en castellano «equivalencia»]. No es una instrucción del PIC, sino para el ensamblador. Con esta instrucción podemos asignar un nombre a la dirección de localización de un registro, o en términos de programación asignar una constante. Vamos a establecer algunas constantes para nuestro programa, y verás que sencillo es de leer.

STATUS   equ       03h  ; Este asigna a la palabra STATUS el valor 03h, que es la dirección del registro STATUS. 
TRISA    equ       85h  ; Este asigna a la palabra TRISA el valor 85h, que es la dirección del registro tri-estado del Puerto A. 
PORTA    equ       05h  ; Este asigna a la palabra PORTA el valor 05h, que es la dirección del Puerto A.

Así que ahora que hemos establecido nuestro valores constantes, vamos a ponerlos en nuestro programa. Los valores constantes deben ser definidos antes de que los usemos. Para estar seguros de ello los ponemos siempre al comienzo del programa. Reescribiremos de nuevo el programa sin comentarios, para que puedas comparar el listado anterior con este:

STATUS   equ       03h
TRISA    equ       85h
PORTA    equ       05h
         bsf       STATUS,5
         movlw     00h
         movwf     TRISA
         bcf       STATUS,5
Inicio   movlw     02h
         movwf     PORTA
         movlw     00h
         movwf     PORTA
         goto      Inicio                

Seguro que ahora puedes ver que las constantes hacen el programa un poco más sencillo, aunque todavía no hemos puesto los comentarios. Sin embargo, no hemos terminado todavía.

6. Bucles de Retardo

Existe un ligero inconveniente en nuestro programa del LED parpadeante. Cada instrucción necesita un ciclo de reloj para ser completada. Si utilizamos un cristal de 4 Mhz, cada instrucción tardará 1/4 Mhz o 1 microsegundo en ser completada. Como solo estamos usando 5 instrucciones, el LED se encenderá y apagará en 5 microsegundos. Esto es demasiado rápido para que lo podamos ver, y parecerá que el LED está permanentemente encendido. Lo que necesitamos hacer es introducir un retardo entre el momento de encendido y apagado y viceversa.

El principio para retardo es el de contar hacia atrás desde un número previamente establecido y cuando llegue a cero, paramos de contar. El valor cero indica el fin del retardo y continuamos nuestro camino a través del programa.

Así que lo primero que necesitamos hacer es definir una constante que usaremos como contado. La llamaremos CONTADOR. Lo siguiente, necesitamos decidir el tamaño del número desde el que contar. Bien, el número mayor que podemos tener es 255 o FFh en hexadecimal. Ahora, como hemos mencionado en el apartado anterior, la instrucción equ asigna una palabra a una localización de un registro. Esto significa que cualquiera que sea el número que asignemos a CONTADOR, será igual al contenido de un registro.

Si lo probamos y asignamos el valor FFh, el compilador entenderá que estamos asignando la dirección de memoria FFh a la constante, y obtendremos un error cuando vayamos a compilar el programa. Esto es debido a que la localización FFh está reservada, y por tanto no podemos acceder a ella. Así que, ¿ como hacemos para asignar un número real ? Bien, se requiere hacer un poco de «pensamiento lateral». Si asignamos a nuestro CONTADOR, por ejemplo, a la dirección 08h, este apuntará a un registro de propósito general. Las posiciones de memoria tienen un valor por defecto de FFh. De este modo, si CONTADOR apunta a 08h, tendrá un valor de FFh la primera vez que lo pongamos en marcha.

Pero, sí, no llores, ¿ cómo ponemos un valor distinto en CONTADOR ? Bien, todo lo que tenemos que hacer es primero ‘mover’ un valor a esta posición. Por ejemplo, si queremos que CONTADOR tenga un valor de 85h, no podemos decir ‘CONTADOR equ 85h’ porque esta es la localización del registro tri-estado del puerto A (TRISA). Lo que hacemos es esto:

            movlw    85h  ; Primero, ponemos el valor 85h en el registro W. 
            movwf    08h  ; Ahora lo movemos a nuestro registro 08h. 

Ahora, podemos decir ‘CONTADOR equ 08h’, CONTADOR será igual al valor 85h. Sutil, ¿ verdad ?

Así que lo primero definimos nuestra constante:

CONTADOR    equ      08h

A continuación necesitamos disminuir este CONTADOR en 1 hasta que alcance cero. Da la casualidad de que hay una sola instrucción que hace esto por nosotros, con la ayuda de un ‘goto’ y una etiqueta. La instrucción que usaremos es:

            decfsz    CONTADOR,1 

DECFSZ: Esta instrucción dice «resta 1 al registro (en esta caso CONTADOR). Si llegamos a cero, salta 2 lugares hacia delante»[Nota de la traducción: El valor que le sigue a la coma, indica donde debe almacenarse el resultado de la operación. Si es 1, como en el ejemplo anterior, el resultado se almacena en el mismo registro indicado en la instrucción, y si es 0 el resultado se almacena en el registro w.] . Un montón de palabras para una sola instrucción. Veamosla en acción antes, después la pondremos en nuestro programa.

CONTADOR    equ     08h 
ETIQUETA    decfsz  CONTADOR,1
            goto ETIQUETA
            ;Continua por aquí.
            :
            :
            :

Lo que hemos hecho es primero poner nuestra constante CONTADOR a 255. La siguiente linea pone una etiqueta, llamada ETIQUETA seguida de nuestra instrucción decfsz. La instrucción decfsz CONTADOR,1 disminuye el valor de CONTADOR en 1, y almacena el resultado de vuelta en CONTADOR. También comprueba si CONTADOR tiene un valor de 0. Si no lo tiene, hace que el programa salte a la siguiente linea. Aquí tenemos una instrucción de ‘goto’ que nos envía de vuelta a nuestra instrucción decfsz. Si el valor de CONTADOR es igual a cero, entonces la instrucción decfsz hace que el programa salte dos lugares hacia adelante, y se sitúe donde hemos escrito «Continua por aquí». Así que, como puedes ver, hemos hecho que el programa permanezca en un lugar durante un tiempo predeterminado antes de seguir adelante. Esto se llama bucle de retardo. Si necesitamos un retardo mayor, podemos poner un bucle detrás de otro. Cuantos mas bucles pongamos, mayor será el retardo. Nosotros vamos a necesitar por lo menos dos, si queremos ver parpadear al LED.

Vamos a poner estos bucles de retardo en nuestro programa, y terminaremos haciendo un programa real añadiendo los comentarios:

; **** Establecimiento constantes ****
STATUS       equ      03h           ; Dirección del registro STATUS 
TRISA        equ      85h           ; Dirección del registro triestado para el Puerto A. 
PORTA        equ      05h           ; Dirección del Puerto A. 
CONTADOR1    equ      08h           ; Primer contador para nuestros bucles de retardo. 
CONTADOR2    equ      09h           ; Segundo contador para nuestros bucles de retardo.

; **** Configuración del Puerto ****
             bsf       STATUS,5     ; Cambiamos al banco 1
             movlw     00h          ; Ponemos los pines del puerto A ...
             movwf     TRISA        ; ...como salidas.
             bcf       STATUS,5     ; Volvemos al Banco 0.

; **** Encendido del LED ****
Inicio       movlw     02h          ; Encendemos el LED poniendo primero el valor...
             movwf     PORTA        ; ... en el registro w y después al puerto

; **** Inicio del bucle de retardo 1 ****
Bucle1       decfsz    CONTADOR1,1  ; Restamos 1 a 255.
             goto      Bucle1       ; Si CONTADOR es cero, continuamos.
             decfsz    CONTADOR2,1  ; Restamos 1 a 255
             goto      Bucle1       ; Volvemos al inicio de nuestro bucle
                                    ; Este retardo cuenta hacia atrás ...
                                    ; ...desde 255 a 0, 255 veces.

; **** Retardo terminado, ahora apagamos el LED ****
             movlw     00h          ; Apaga el LED poniendo primero el valor ...
             movwf     PORTA        ; ... en el registro w y después al puerto

; **** Añadimos otro retardo ****
Bucle2       decfsz    CONTADOR1,1  ; Este segundo bucle mantiene el LED...
             goto      Bucle2       ; ...apagado el tiempo suficiente...
             decfsz    CONTADOR2,1  ; ...para que lo veamos
             goto      Bucle2       ; 
; Ahora volvemos al inicio del programa 
             goto      Inicio       ; Vuelve al principio y enciende el LED...                                                               
                                    ; ...de  nuevo.

; **** Termina el Programa ****
             end                    ; Algunos compiladores necesitan esta instrucción.
                                    ; y también por si acaso olvidamos poner...
                                    ; ... la instrucción 'goto'.

Puedes compilar este programa y programar el PIC con él. Por su puesto, querrás probar el circuito para ver si funciona realmente. Aquí está el diagrama del circuito para que lo construyas una vez que hayas programado tu PIC:

TutorialPIC_practica1

Felicidades, acabas de escribir tu primer programa para PIC, y construido un circuito para hacer parpadear un LED. Así que, si has seguido este tutorial hasta aquí, has aprendido 7 instrucciones de 35, y ya controlas los puertos de entrada/salida !

¿ Por qué no intentas modificar los bucles de retardo para hacer que el LED parpadee mas rápido ? Cual es el valor mínimo de CONTADOR para poder ver el LED parpadear ? ¿ Por qué no añades un tercer bucle o incluso más bucles de retardo después del primero para hacer más lento el apagado mas lento ? Necesitarás una constante para cada bucle de retardo. Podrías incluso ajustar tus bucles de retardo para hacer que el LED parpadease con un ritmo definido, por ejemplo una vez por segundo.

En la siguiente sección veremos como podemos usar una cosa llamada sub-rutina para ayudar a mantener el programa simple y pequeño.

7. Subrutinas

Una subrutina es una sección de código o programa, que puede ser llamada como y cuando la necesites. Las subrutinas se usan si vas a ejecutar la misma función función más de una vez, por ejemplo para crear un retardo. Las ventajas de utilizar una subrutina son que hará más sencillo modificar el valor una vez dentro de la subrutina antes que, digamos, hacerlo diez veces a través de tu programa. Y también te ayudará a reducir el total de memoria que ocupa tu programa dentro del PIC.

Miremos una subrutina:

RUTINA
CONTADOR     equ        255 
ETIQUETA     decfsz     CONTADOR,1
             goto       ETIQUETA
             return 

Primero tenemos que dar un nombre a la subrutina, y en este caso hemos elegido RUTINA. Después escribimos el código que queramos como hacemos normalmente. En este caso, hemos elegido el código del retardo para el programa de parpadeo de nuestro LED. Finalmente, terminamos la subrutina tecleando la instrucción RETURN.

Para arrancar la subrutina desde cualquier punto de nuestro programa, simplemente escribimos la instrucción CALL seguida por el nombre de la subrutina.

Vamos a ver esto con algo más de detalle. Cuando alcanzamos la parte de nuestro programa que dice CALL xxx, donde xxx es el nombre de nuestra subrutina, el programa salta a donde quiera que resida la subrutina xxx. Las instrucciones dentro de la subrutina se ejecutan. Cuando se alcanza la instrucción RETURN, el programa salta de vuelta a nuestro programa principal, justo a la instrucción que va inmediatamente después de nuestra instrucción CALL xxx.

Puedes llamar a la misma subrutina tantas veces como quieras, esa es la razón por la que utilizar subrutinas reduce el tamaño total de nuestro programa. Sin embargo, hay dos cosas que debes tener en cuenta. La primera, igual que en tu programa principal, cualquier constante debe ser declarada antes de utilizarla. Pueden ser declaradas dentro de la subrutina misma, o justo al comienzo del programa principal. Recomendaríamos que declarases todo al comienzo del programa principal, para que así sepas que todo se encuentra en el mismo sitio. Lo segundo, te debes asegurar de que el programa principal pasa por alto la subrutina. Lo que queremos decir con esto es que si pones la subrutina justo al final del programa principal, a menos que uses una instrucción ‘goto’ para saltar la subrutina, el programa seguirá y ejecutará la subrutina tanto si quieres como si no. El PIC no diferencia entre una subrutina y el programa principal.

Vamos a verlo en nuestro programa de parpadeo de LED, pero esta vez utilizaremos una subrutina para el bucle de retardo. Con suerte verás que sencillo se queda el programa, y también veras como funciona la subrutina en la realidad:

; **** Establecimiento constantes ****
STATUS       equ       03h          ; Dirección del registro STATUS 
TRISA        equ       85h          ; Dirección del registro tri-estado para el Puerto A. 
PORTA        equ       05h          ; Dirección del Puerto A. 
CONTADOR1    equ       08h          ; Primer contador para nuestros bucles de retardo. 
CONTADOR2    equ       09h          ; Segundo contador para nuestros bucles de retardo.

; **** Configuración del Puerto ****
             bsf       STATUS,5     ; Cambiamos al Banco 1
             movlw     00h          ; Ponemos los pines del puerto A ...
             movwf     TRISA        ; ...como salidas.
             bcf       STATUS,5     ; Volvemos al Banco 0.

; **** Encendido del LED ****
Inicio       movlw     02h          ; Encendemos el LED poniendo primero el valor...
             movwf     PORTA        ; ... en el registro w y después al puerto

; **** Añadimos un retardo ****
             call      Retardo

; **** Retardo terminado, ahora apagamos el LED ****
             movlw     00h          ; Apaga el LED poniendo primero el valor ...
             movwf     PORTA        ; ... en el registro w y después al puerto

; **** Añadimos otro retardo ****
             call      Retardo

; Ahora volvemos al inicio del programa
             goto      Inicio       ; Vuelve al principio y enciende el LED de  nuevo.

; Aquí está nuestra Subrutina
Retardo 
Bucle1       decfsz    CONTADOR1,1  ; Este segundo bucle mantiene el LED...
             goto      Bucle1       ; ...apagado el tiempo suficiente...
             decfsz    CONTADOR2,1  ; ...para que lo veamos
             goto      Bucle1       ; 
             return
; **** Fin del Programa****
             end                    ; Algunos compiladores necesitan esta instrucción,
                                    ; y también por si acaso olvidamos poner...
                                    ; ... la instrucción 'goto'.

Puedes ver que utilizando una subrutina para nuestro bucle de retardo, hemos reducido el tamaño del programa. Cada vez que queramos hacer un retardo, ya sea cuando el LED esté apagado o cuando esté encendido, simplemente llamamos a la subrutina de retardo. Al final de la subrutina, el programa retorna a la linea siguiente a la instrucción ‘call’. En el ejemplo anterior, encendemos el LED. Después llamamos a la subrutina. Entonces el programa retorna para que podamos apagar el LED. Llamamos a la subrutina de nuevo, y cuando la surutina termina, el programa retorna a la siguiente instrucción que ve, que es ‘goto Inicio’.

Para aquellos de vosotros que estéis interesados, nuestro programa original tenia 120 bytes de tamaño. Mediante el uso de la subrutina, hemos reducido el programa a 103 bytes.[Nota de la traducción: Estos tamaños en bytes a los que se refiere el autor, son los tamaños de los ficheros .HEX que resultan de compilar estos listados con el compilador de Microhip MPASM.] Puede que no parezca gran cosa, pero teniendo en cuenta que solo tenemos 1024 bytes en total dentro del PIC , cada pequeño bit ayuda.
[Nota de la traducción: Cuando el autor dice que el 16F84 tiene 1024 bytes, se esta refiriendo al área de memoria para el almacenamiento del código o programas. Y, aunque utiliza la palabra bytes aquí, en realidad no se trata de bytes de 8 bits, sino que se trata «14 bit words»(en castellano, palabras de 14 bits. Es decir, un poco mayor que un byte clásico). De modo, que lo que sería correcto decir es, que el área de memoria de programa en el 16F84 tiene un tamaño 1024 x 14 bit words, o 1K x 14 bit words, o 1024 posiciones de 14 bits cada una. Como dato adicional, cada instrucción del conjunto de instrucciones del 16F84 ocupa una palabra de 14 bits. Es decir, cada una ocupa una de esas 1024 posiciones de memoria. Microchip fabrica otros PICs con mayor espacio de memoria interna. Estos se pueden ver en las páginas de Microchip. ]

En el próximo capitulo, veremos cómo leer de los puertos.

8. Cómo leer de los puertos E/S

Hasta este punto, hemos estado escribiendo en el Puerto A para poder encender y apagar el LED. Ahora vamos a ver como podemos leer los pines de E/S de los puertos. Esto es para que podamos conectar un circuito externo y actuar sobre cualquier salida que este nos dé.

Si recuerdas de los capítulos previos, para configurar los puertos de E/S, tenemos que cambiarnos del Banco 0 al Banco 1. Hagamos eso primero:

STATUS      equ       03h         ; Dirección del registro STATUS 
TRISA       equ       85h         ; Dirección del registro tri-estado para el Puerto A. 
PORTA       equ       05h         ; Dirección del Puerto A.

            bsf       STATUS,5    ; Cambia al Banco 1.

Ahora, para configurar el pin de un puerto para que sea una salida, enviamos un 0 al registro TRISA. Para poner el pin como entrada, ponemos un 1 en el registro TRISA.

            movlw     01h         ; Para configurar el pin 0 del Puerto A... 
            movwf     TRISA       ; ... como entrada. 
            bcf       STATUS,5    ; Vuelve al Banco 0.

Ahora hemos puesto el bit 0 del puerto A como entrada. Lo que necesitamos hacer ahora es comprobar si el pin está a nivel alto o a nivel bajo. Para ello, podemos usar una de estas dos instrucciones: BTFSC y BTFSS.

La instrucción BTFSC significa «Haz una comprobación de bit en el registro y bit que especificamos. Si es un 0, entonces sáltate la siguiente instrucción».

La instrucción BTFSS significa «Haz una comprobación de bit en el registro y bit que especificamos. Si es un 1, entonces sáltate la siguiente instrucción».

La que usemos dependerá de como queramos que nuestro programa reaccione cuando lea la entrada. Por ejemplo, si simplemente estamos esperando que la entrada sea 1, entonces podríamos utilizar la instrucción BTFSS de este modo:

            ; Aquí el código
            BTFSS     PortA,0 
            Goto      Inicio
            ; Continua por aquí...

El programa solo se moverá hacia ‘Continua por aquí’ si el bit 0 del puerto A se pone a 1.

Vamos ahora a escribir un programa con el que el LED parpadeará a una velocidad, pero si un conmutador[Nota de la traducción: en ingles el término original es «switch»] se cierra, parpadeará a la mitad de velocidad. Seguramente puedas hacer el programa por ti mismo, pero hemos incluido el listado de todos modos. Podrías probar a escribir el programa completo, solo para ver si has comprendido los conceptos. Estamos usando el mismo circuito que antes, con un conmutador añadido al pin RA0 del PIC y a la linea de alimentación positiva.

; **** Establecimiento constantes ****
STATUS      equ       03h             ; Dirección del registro STATUS 
TRISA       equ       85h             ; Dirección del registro tri-estado para el Puerto A. 
PORTA       equ       05h             ; Dirección del Puerto A. 
CONTADOR1   equ       08h             ; Primer contador para nuestros bucles de retardo. 
CONTADOR2   equ       09h             ; Segundo contador para nuestros bucles de retardo.

; **** Configuración del Puerto ****
            bsf       STATUS,5        ; Cambiamos al Banco 1
            movlw     01h             ; Ponemos los pines del puerto A ...
            movwf     TRISA           ; ...el bit 1 como salida, el bit 0 como entrada.
            bcf       STATUS,5        ; Volvemos al Banco 0.

; **** Encendemos del LED ****
Inicio      movlw     02h             ; Encendemos el LED poniendo primero el valor...
            movwf     PORTA           ; ... en el registro w y después al puerto

; **** Comprobamos si el conmutador está cerrado ****
            btfsc     PORTA,0         ; Tomamos el valor del bit 0 del puerto A y comprobamos si es 0.
                                      ; Si es 0, sáltate la siguiente instrucción y continua normalmente.
            call      Retardo         ; Si es 1, ejecuta esta instrucción añadiendo un retardo extra.
; **** Añade un retardo ****
            call      Retardo	

; **** Retardo terminado, ahora apagamos el LED ****
            movlw     00h             ; Apaga el LED poniendo primero el valor ...
            movwf     PORTA           ; ... en el registro w y después al puerto

; **** Comprobamos si el conmutador está todavía cerrado ****
            btfsc     PORTA,0         ; Tomamos el valor del bit 0 del puerto A y comprobamos si es 0.
                                      ; Si es 0, saltate la siguiente instrucción y continua normalmente.
            call      Retardo         ; Si es 1, ejecuta esta instrucción añadiendo un retardo extra.
; **** Añadimos otro retardo ****
            call      Retardo

; **** Ahora volvemos al inicio del programa ****
            goto      Inicio          ; Vuelve al principio y enciende el LED...                                                               
                                      ; ...de  nuevo.
; **** Aquí está nuestra Subrutina ****
Retardo 
Bucle1      decfsz     CONTADOR1,1    ; Este segundo bucle mantiene el LED...
            goto       Bucle1         ; ...apagado el tiempo suficiente...
            decfsz     CONTADOR2,1    ; ...para que lo veamos
            goto       Bucle1          ; 
            return

; **** Fin del Programa ****
            end                       ; Algunos compiladores necesitan esta instrucción,
                                      ; y también por si acaso olvidamos poner...
                                      ; ... la instrucción 'goto'.

Lo que hemos hecho aquí es encender el LED. Después comprobar si el conmutador está cerrado. Si está cerrado, entonces hacemos una llamada a nuestra subrutina de retardo. Esto nos da el mismo retardo que anteriormente, pero ahora la estamos llamando dos veces. Lo mismo pasa cuando el LED está apagado. Si el conmutador no está cerrado, entonces tenemos nuestros tiempos de encendido y apagado como antes.

Puedes compilar y ejecutar este programa. Sin embargo, una nota de advertencia: El circuito final y el código puede resultar irrelevante para alguien que no le interese programar microcontroladores. Por tanto, no te enfades si cuando enseñes el circuito a tu familia y amigos sobre como puedes cambiar la velocidad de parpadeo de un LED, ves que no muestran ni el mas mínimo interés ¡ Hablamos desde nuestra experiencia personal !

Si has ido siguiendo estos capítulos desde el comienzo, puede que te interese saber que ¡ahora llevas aprendidas 10 de 35 instrucciones para el PIC 16F84 ! Y todas ellas las has aprendido simplemente con el encendiendo y apagando de un LED.

Hasta ahora hemos hecho que el PIC haga parpadear un LED. Después fuimos capaces de interactuar con nuestro PIC añadiendo un conmutador, para modificar el ritmo de parpadeo. El único problema es que el programa es muy largo y desperdicia mucha memoria. Era aceptable ya que introducíamos comandos por primera vez, pero debe existir una manera mejor de hacerlo. Bueno, la hay (sabias que la había, ¿verdad? ).

Vamos a examinar como estábamos haciendo el parpadeo del LED realmente.

            movlw      02h 
            movwf      PORTA 
            movlw      00h 
            movlw      PORTA

Primero cargamos nuestro registro W con 02h, después lo pusimos en nuestro registro del puerto A para encender el LED. Para apagarlo, cargamos W con 00h y después lo pusimos en nuestro registro del puerto A. Entremedias de estas rutinas teníamos que llamar a una subrutina para que pudiéramos ver el LED parpadear. Así que hemos tenido que mover dos conjuntos de datos dos veces (una vez al registro W y después al PORTA) y llamar a la subrutina dos veces (una vez para el encendido y otra para el apagado).

Así que, ¿ cómo podemos hacer esto de una manera mas eficiente ? Sencillo. Utilizamos otra instrucción llamada XORWF.

La instrucción XORWF ejecuta una función OR Exclusiva entre el registro w y el registro que le pasamos como dato. Será mejor que expliquemos que narices es una OR Exclusiva antes de continuar. [Nota de la traducción: También llamada función XOR simplemente]

Si tenemos dos entradas, y una salida, la salida solo será 1 si, y solo si, las dos entradas son diferentes. Si son iguales, la salida será 0. Aquí está la tabla de verdad, para aquellos que prefieran verlo en una tabla:

A B Salida
0 0 0
0 1 1
1 0 1
1 1 0

Vamos a ver que ocurre si hacemos que B tome el valor de salida anterior, y simplemente cambiamos el valor de A. Pongo la secuencia en modo de tabla para que veamos lo que ocurre paso por paso. B siempre toma el valor de la salida anterior:

A B Salida
Momento 1 0 0 0
Momento 2 1 0 1
Momento 3 1 1 0
Momento 4 1 0 1

Si mantenemos el valor de A igual a 1, y hacemos OR eXclusiva entre él y el valor de la salida anterior, la salida resultante conmuta. Para los que no lo vean de este modo en la tabla de verdad, aquí está utilizando binario:

Valor de salida actual => 0
OR-Ex con él y con 1 => 1  ; 1 es el nuevo valor de salida.
OR-EX con él y con 1 => 0  ; 0 es el nuevo valor de salida.
OR-Ex con él y con 1 => 1  ; 1 es el nuevo valor de salida.
…. así sucesivamente.

Espero que puedas entender que haciendo OR exclusiva de una salida con un 1, lo que estamos haciendo ahora es conmutar de 0 a 1 a 0, etc…

Así que ahora, para encender y apagar nuestro LED, necesitamos solo dos lineas:

         MOVLW    02h 
         XORWF    PORTA,1

Lo que estamos haciendo aquí es cargar nuestro registro W con 02h. Después le hacemos una OR exclusiva a este número que hay en W con lo que quiera que esté en nuestro registro del puerto A. Si el bit 1 es 1, cambiará a 0. Si el bit 1 es 0, cambiará a 1. [Nota de la traducción: El número que va después del registro especificado en la instrucción XORWF, indica donde debe de ser almacenado el resultado de dicha operación OR exclusiva. Si, como ocurre en este ejemplo anterior, ponemos un 1, el resultado se almacenará de vuelta en el registro de memoria especificado. Si pusiésemos 0, el resultado de la operación OR exclusiva se almacenaría en el registro w]

Vamos a ejecutar este código un par de veces, para mostrar como funciona en binario:

PORTA
00010
xorwf 00000
xorwf 00010
xorwf 00000
xorwf 00010

Incluso no necesitamos cargar el mismo valor en nuestro registro w cada vez, lo podemos hacer una sola vez al principio, y simplemente saltar hacia atrás a nuestro comando de conmutación. Además, no tenemos que establecer una valor al registro de nuestro puerto A. ¿ Por qué ? Bien, si durante el encendido es un 1, lo haremos conmutar. Si por el contrario es un 0 durante el arranque, también lo conmutaremos.

Así que, vamos a ver nuestro nuevo código. El primero es nuestro código original de parpadeo del LED, y el segundo es donde hemos añadido el conmutador externo:

LED Parpadeante:

; **** Establecimiento constantes ****
STATUS      equ       03h             ; Dirección del registro STATUS 
TRISA       equ       85h             ; Dirección del registro tri-estado para el Puerto A. 
PORTA       equ       05h             ; Dirección del Puerto A. 
CONTADOR1   equ       08h             ; Primer contador para nuestros bucles de retardo. 
CONTADOR2   equ       09h             ; Segundo contador para nuestros bucles de retardo.

; **** Configuración del Puerto ****
            bsf       STATUS,5        ; Cambiamos al Banco 1
            movlw     01h             ; Ponemos los pines del puerto A ...
            movwf     TRISA           ; ...el bit 1 como salida, el bit 0 como entrada.
            bcf       STATUS,5        ; Volvemos al Banco 0.
            movlw     02h             ; Configura nuestro registro w con 02h

; **** Enciende y apaga el LED ****
Inicio      xorwf     PORTA,1         ; Conmuta el LED

; Añade un retardo
            call      Retardo         ; El retardo mínimo necesario

; Ahora vuelve al inicio del programa
            goto      Inicio          ; Vuelve al inicio para conmutar el LED de nuevo.

; **** Aquí está nuestra subrutina
Retardo 
Bucle1      decfsz    CONTADOR1,1     ; Este bucle mantiene el LED apagado o encendido...
            goto      Bucle1          ; ... el tiempo suficiente ...
            decfsz    CONTADOR2,1     ; ... para que lo podamos ver.
            goto      Bucle1          ;
            return 

; **** Final del programa ****
            end                       ; Algunos compiladores necesitan esta instrucción,
                                      ; y también por si acaso olvidamos poner...
                                      ; ... la instrucción 'goto'.

LED parpadeante con el conmutador externo:

; **** Establecimiento constantes ****
STATUS      equ       03h           ; Dirección del registro STATUS 
TRISA       equ       85h           ; Dirección del registro tri-estado para el Puerto A. 
PORTA       equ       05h           ; Dirección del Puerto A. 
CONTADOR1   equ       08h           ; Primer contador para nuestros bucles de retardo. 
CONTADOR2   equ       09h           ; Segundo contador para nuestros bucles de retardo.

; **** Configuración del Puerto ****
            bsf       STATUS,5      ; Cambiamos al Banco 1
            movlw     01h           ; Ponemos los pines del puerto A ...
            movwf     TRISA         ; ...el bit 1 como salida, el bit 0 como entrada.
            bcf       STATUS,5      ; Volvemos al Banco 0.
            movlw     02h           ; Configura nuestro registro w con 02h

; **** Enciende y apaga el LED ****
Inicio      xorwf     PORTA,1       ; Conmuta el LED

; **** Comprobamos si el conmutador está cerrado ****
            btfsc     PORTA,0       ; Tomamos el valor del bit 0 del puerto A y comprobamos si es 0.
                                    ; Si es 0, sáltate la siguiente instrucción y continua normalmente.
            call      Retardo       ; Si es 1, ejecuta esta instrucción añadiendo un retardo extra.

; Añade un retardo
            call      Retardo       ; El retardo mínimo necesario

; **** Ahora vuelve al inicio del programa ****
            goto      Inicio        ; Vuelve al inicio para conmutar el LED de nuevo.

; *** Aquí está nuestra subrutina ****
Retardo 
Bucle1      decfsz    CONTADOR1,1   ; Este bucle mantiene el LED apagado o encendido...
            goto      Bucle1        ; ... el tiempo suficiente ...
            decfsz    CONTADOR2,1   ; ... para que lo podamos ver.
            goto      Bucle1        ;
            return 

; **** Final del programa ****
            end                     ; Algunos compiladores necesitan esta instrucción,
                                    ; y también por si acaso olvidamos poner...
                                    ; ... la instrucción 'goto'.

Esperamos que hayas podido comprender cómo con el uso de una simple instrucción, hemos reducido el tamaño de nuestro programa. De hecho, simplemente para mostrar en cuanto se han reducido nuestros programas, hemos mostrado los dos programas, los cambios que hicimos, y sus tamaños en la siguiente tabla:

 

Programa Cambio Tamaño (en bytes)
LED parpadeante Original 120
LED Parpadeante Añadiendo subrutina 103
LED Parpadeante Utilizando función XOR 91
LED con conmutador Original 132
LED con conmutador Utilizando función XOR 99

[Nota de la traducción: Estos tamaños en bytes a los que se refiere el autor, son los tamaños de los ficheros .HEX que resultan de compilar estos listados con el compilador de Microhip MPASM.]

Así que no solo hemos aprendido nuevas instrucciones, ¡también hemos reducido el tamaño de nuestro código!

9. Operadores Lógicos y Aritméticos

Operadores Lógicos

En el último capítulo presentamos la función OR exclusiva. La función ExOR (o XOR) es conocida como un operador lógico. En este capítulo vamos a explicar otros operadores lógicos que soporta el PIC. No habrá ningún programa de ejemplo, pero explicaremos como usar los operadores utilizando pequeñas secciones de código.

  • AND

La función AND simplemente compara dos bits y produce un 1 si son iguales, y 0 si son diferentes. Por ejemplo, si decimos 1 AND 1, el resultado es 1, mientras que si decimos 1 AND 0 el resultado será 0. Por supuesto, podemos comparar palabras (o bytes) también, y la función AND hace esta comparación de ambas bit a bit. El ejemplo de más abajo muestra dos palabras de 8 bits a las que se aplica AND con el siguiente resultado:

11001011
AND 10110011
Igual a 10000011

Como puedes ver, el resultado solo tiene un 1 cuando dos 1s coinciden en ambas palabras. Podemos utilizar la función AND para hacer comprobaciones de puertos, por ejemplo. Si estamos monitorizando pines E/S que están conectados a un circuito, y tenemos que monitorizar una condición en concreto donde solo algunos pines están a nivel alto, entonces simplemente podemos leer el puerto, y aplicar a ese valor la función AND con la condición que estamos buscando, simplemente como en el ejemplo anterior.

[Nota de la Traducción: Incluimos aquí la tabla de verdad de esta función que no estaba en el texto original por homogeneizar:]

A B Resultado de AND
0 0 1
0 1 0
1 0 0
1 1 1

El PIC nos da dos modalidades para AND. Estas son ANDLW y ANDWF.

ANDLW nos permite hace una función AND con los contenidos del registro W, y un número que nosotros especifiquemos. Las sintaxis es:

ANDLW <número>  

donde <número> es con el que haremos AND a los contenidos de W. El resultado de la función AND serán almacenamos de vuelta en el registro W. [Nota de la traducción: El valor de <número> tiene que estar comprendido entre 0 y 255]]
ANDWF nos permite hacer una función AND con los contenidos del registro W y otro registro, como por ejemplo un puerto. Las sintaxis es:

ANDWF <registro>,d  

donde <registro> es el registro en el que estamos interesados, por ejemplo PORTA, y d dice al PIC donde almacenar el resultado. Si d=0, el resultado se almacena en el registro W, y si d=1 el resultado se almacena en ese registro especificado.
Las dos secciones de código de más abajo muestran un ejemplo de cada instrucción AND. La primera comprueba el estado del PORTA, donde necesitamos ver si las entradas son 1100. Pondremos el resultado de vuelta en el registro W:

        movlw     1100 
        ANDWF     05h,0 

El segundo ejemplo comprobará ahora los contenidos del registro W:

   
        ANDLW     1100
  • OR

Ya hemos visto una función OR, llamada XOR. Esta produce un 1 si dos bits son diferentes, pero no si son iguales. Hay una segunda función OR llamada IOR, la cual es OR inclusiva. La función produce un 1 si cualquiera de los dos bits es 1, pero también si ambos bits son 1. Aquí está la tabla de verdad para demostrar esto:

A B Resultado de OR
0 0 0
0 1 1
1 0 1
1 1 1

El PIC nos da dos instrucciones para hacer operaciones OR inclusivas : IORLW y IORWF. Igual que con el caso de la operación lógica AND:
IORLW nos permite hace una función OR con los contenidos del registro W, y un número que nosotros especifiquemos literalmente en la instrucción. Las sintaxis es:

IORLW <número>  

donde <número> es con el que haremos OR a los contenidos de W. El resultado de la función OR serán almacenamos de vuelta en el registro W. [Nota de la traducción: El valor de <número> tiene que estar comprendido entre 0 y 255]]
IORWF nos permite hacer una función OR con los contenidos del registro W y otro registro, como por ejemplo un puerto. Las sintaxis es:

IORWF <registro>,d  

donde <registro> es el registro en el que estamos interesados, por ejemplo PORTA, y d dice al PIC donde almacenar el resultado. Si d=0, el resultado se almacena en el registro W, y si d=1 el resultado se almacena en ese registro especificado.
Las dos secciones de código de más abajo muestran un ejemplo de cada instrucción OR. La primera superpone los bit activos del PORTA a 0011. Pondremos el resultado de vuelta en el registro W:

        movlw     0011 
        IORWF     05h,0 

El segundo ejemplo superpone los bits activos 1100 al registro W:

   
        IORLW     1100

Operadores Aritméticos

  • ADD

Esta función exactamente lo que dice [Nota de la traducción: «Add» en ingles significa sumar] ¡Suma dos números! Si el resultado de sumar dos números excede de 8 bits [Nota de la traducción: 8 bits pueden contener un valor máximo de 255 en decimal], entonces se activará un flag llamado CARRY [Nota de la traducción: «flag» en castellano se podría traducir por banderín, y normalmente se trata de 1 bit que se ubica en un registro en concreto de la memoria del PIC. «CARRY» en castellano puede traducirse como «llevar», podría ser como cuando hacemos una cuenta a mano y utilizamos la expresión «me llevo una».]. El flag de CARRY está localizado en el bit 0 de la dirección de memoria 03h. Si este bit se activa, quiere decir que la suma de esos 2 números excedió de 8 bits. Si es 0, entonces el resultado queda dentro de los 8 bits.

De nuevo, el PIC nos da dos modalidades de ADD, que son ADDLW y ADDWF. Como puedes suponer, es muy similar a la función anterior.
ADDLW añade los contenidos del registro W con un número que le especifiquemos. La sintaxis es:

ADDLW <número>

ADDWF añadirá los contenidos del registro W y cualquier otro registro que le especifiquemos. La sintaxis es:

ADDWF <registro>,d  

donde <registro> es el registro que queremos especificar, y d le dice al PIC donde almacenar el resultado. Si d=0, el resultado se almacena en el registro W, y si d=1 el resultado se almacena en ese registro especificado.

  • SUB

Ahora, ¡apuesto a que sabes que hace esta función! Sí, lo que suponías, esta función sustrae(o resta) un bit a otro [‘Nota de la traducción: SUB, viene del ingles «substract» que significa «sustraer» en castellano]]. Una vez más el PIC da dos modalidades: SUBLW y SUBWF. La sintaxis es exactamente la misma que para la función ADD, excepto por supuesto ¡que tienes que escribir SUB en lugar de ADD!

  • Incremento

Si queremos añadir 1 a un número en el PIC, podríamos simplemente utilizar la función ADD, y usar el número 1. El problema con esto es que primero tenemos que poner el número 1 en el registro w, y después utilizar el comando «ADDLW 1» para incrementarlo. Si queremos añadir 1 a cualquier otro registro, la cosa se pone peor. Primero tenemos que poner el número 1 en el registro W, y después utilizar «ADDWF <registro>,1». Así que por ejemplo, para añadir 1 a la posición 0Ch, tendríamos que tener la siguiente sección de código:

movlw 01h
addwf 0Ch,1
Hay una manera mejor de hacer esto. Podemos utilizar la instrucción INCF. La sintaxis es:

      INCF    <registro>,d  

donde <registro> es un registro, o posición de memoria en la que estemos interesados, y d le dice al PIC donde almacenar el resultado. Si d=0, el resultado se almacena en el registro W, y si d=1 el resultado se almacena en ese registro especificado.

Mediante el uso de esta simple instrucción podemos literalmente hacer la mitad de código. Si queremos que el resultado vaya de vuelta al registro W, usando el ejemplo anterior, hubiésemos tenido que añadir otro comando para mover el contenido de la posición 0Ch de vuelta al registro W, y después poner en el registro 0Ch lo que quiera que tuviese al principio.
Existe otro comando de incremento. Es el INCFSZ. Este comando incrementará el registro que nosotros le especifiquemos, pero si el registro es igual a 0 después del incremento (esto ocurrirá cuando añadamos 1 a 255) entonces el PIC se saltará la siguiente instrucción. La sección de código aquí abajo lo demuestra:

Bucle     incfsz    0Ch
          goto      Bucle
          :
          :
          ;Resto del programa.

En la sección de código anterior, el registro de la posición de memoria OCh será incrementado en 1. Después tenemos una instrucción que le dice al PIC que vaya de vuelta a nuestra etiqueta llamada «Bucle», e incremente OC en 1 de nuevo. Esto ocurrirá constantemente hasta que 0Ch sea igual a 255. En este momento, cuando incrementemos OCh en 1, 0Ch será igual a 0. Nuestra instrucción le dirá al PIC que se salte la siguiente instrucción, la cual es en este caso «goto», y por tanto que el PIC continúe con el resto del programa.

  • Decremento

Del mismo modo que el PIC nos proporciona una instrucción para incrementar el valor de un registro en 1 unidad, existe en el conjunto de intrucciones del PIC una instrucción para hacer simplemente lo contrario: decrementar, o restar 1 a dicho registro de memoria [Nota de la traducción: La palabra «decremento» no existe en castellano. Surge de traducir un poco a la ligera la palabra inglesa «decrement». Así que nos permitimos una pequeña licencia, por comodidad y claridad.]. La instruccion es DECF. La sintaxis es:

      DECF    <registro>,d  

donde <registro> es un registro, o posición de memoria en la que estemos interesados, y d le dice al PIC donde almacenar el resultado. Si d=0, el resultado se almacena en el registro W, y si d=1 el resultado se almacena en ese registro especificado.

  • Complemento

La última instrucción de este grupo invierte todos los bits de un registro que le especifiquemos. La sintaxis es:

    COMF     <registro>,d  

donde <registro> es el registro que deseamos invertir, y d le dice al PIC donde almacenar el resultado. Si d=0, el resultado se almacena en el registro W, y si d=1 el resultado se almacena en ese registro especificado.

El siguiente ejemplo muestra la instrucción en acción:

0Ch = 11001100

     COMF     0Ch,1

0Ch = 00110011

Esto se puede usar, por ejemplo, para cambiar rápidamente todos los bits de un puerto de salida a entra y viceversa.

10. Operaciones con Bits

Las operaciones con bits nos permite manipular un solo bit dentro de una palabra (word). Nos permiten, mover, activar o desactivar bits individualmente en registros o números que especifiquemos. Al final de este capítulo te mostraremos un programa que producirá un conjunto de luces que se desplazan en un sentido, y después en el sentido contrario. Vimos esto cuando revisamos la función OR, donde hacíamos OR exclusiva con una palabra.

Ya hemos visto un par de operaciones con un bits, cuando configurábamos los puertos del PIC, y voy a repetir aquí su uso.

  • BCF

Esta instrucción pone a cero un bit que especifiquemos en el registro que especifiquemos. La sintaxis es la siguiente:

    
    BCF     <registro>,<bit>

La hemos utilizado previamente para cambiar del Banco 1 al Banco 0 cuando poníamos a 0 el bit 5 del registro STATUS. También podemos utilizarla para poner a 0 cualquier bit de cualquier otro registro/posición de memoria. Por ejemplo, si queremos poner a 0 el tercer bit de 11001101 que está almacenado en la posición de memoria 0Ch, introduciríamos:

    BCF     0Ch,2

[Nota de la Traducción: el valor que puede tomar el parámetro <bit> va de 0 a 7, donde 0 es el bit mas a la derecha de nuestro número binario. La siguiente tabla clarifica un poco más la disposición de los bits en un byte (o palabra de 8 bits) y sus posiciones:

Posición 8º bit 7º bit 6º bit 5º bit 4º bit 3er bit 2º bit 1er bit
Número de bit 7 6 5 4 3 2 1 0
Nuestro ejemplo 1 1 0 0 1 1 0 1
Después de «BCF 0Ch,2» 1 1 1 0 0 0 0 1

]

  • BSF

Esta instrucción pondrá a 1 el bit que especifiquemos en cualquier registro que especifiquemos. Hemos utilizado esta operación antes para cambiar del Banco 0 al Banco 1. La sintaxis es:

    BSF    <registro>,<bit> 

, y se utiliza exactamente de la misma forma que la BCF de más arriba.

  • BTFSC

Hasta ahora hemos puesto a 1 o a 0 un bit en un registro. Pero ¿qué pasa si queremos simplemente comprobar si un bit es 0 ó 1 en un registro? Bien, podemos utilizar BTFCS. Esta dice «Comprueba un bit en el registro o posición de memoria (F), y salta si es 0». Esta instrucción comprobará el bit que le especifiquemos en el registro. Si el bit es 0, la instrucción le dice al PIC que se salte la instrucción que viene a continuación. Podríamos utilizar esta instrucción si queremos comprobar un flag, como por ejemplo en flag de CARRY. Esto nos ahorra tener que leer el registro STATUS y mirar los bits individualmente para ver que flags están a 1. Por ejemplo, si queremos comprobar si el flag de CARRY ha sido puesto a 1 cuando hayamos sumado dos números, haremos lo siguiente:

        BTFSC     03h,0
        <instrucción x>   ; continua por aquí si CARRY está a 1.
        <instrucción y>   ; o por aquí si está a 0.

Si el valor del bit es 1, entonces BTFSC continuará por la instrucción inmediatamente siguiente. Si está a 0, entonces se salta esa instrucción. La siguiente sección de código muestra donde podría ser utilizada: Bucle  :

         :
         :
         BTFSC  03,0
         Goto Bucle

En el código anterior, el PIC solo saldrá de bucle si el bit 0 del registro STATUS (o el flag de CARRY) está puesto a 0. De otro modo, el comando ‘goto’ será ejecutado.

  • BTFSS

Esta instrucción dice «Comprueba el bit del registro o posición de memoria(F), y salta si está a 1». Esta es similar a la instrucción BTFSC, excepto que el PIC se saltará la siguiente instrucción si el bit que estamos comprobando está a 1, en lugar de a 0.

  • CLRF

Esta instrucción pondrá todos los bits del contenido de un registro a 0. La sintaxis es:

    CLRF     <registro>

La hemos usado anteriormente para poner todos los pines de un puerto como salidas, haciendo «CLRF 85h». También lo usamos para poner los pines de un puerto que estaban como salidas todos a 0, haciendo «CLRF 05h».

  • CLRW

Es similar a la instrucción CLRF, excepto en que solo pone a 0 el registro W. La sintaxis es bastante sencilla:

    CLRW
  • RLF y RRF

Estas instrucciones desplazan los bits del contenido de un registro un lugar hacia la izquierda (RLF), o un lugar hacia la derecha (RRF). Por ejemplo, si tenemos 00000001 y utilizamos la instrucción RLF, tendríamos 00000010. Ahora, ¿qué ocurre si tenemos 10000000 y empleamos RLF? Bien, el bit 1 será desplazado al flag CARRY. y si empleamos RLF una vez más, el 1 reaparecerá justo al principio [Nota de la traducción: es decir, por el lado derecho del byte, o dicho de otro modo en el bit0]. Lo mismo ocurre con la instrucción RRF pero de manera inversa. El ejemplo de más abajo ilustra esto para la instrucción RLF, donde mostramos los 8 bits del contenido de un registro, y el flag de CARRY:

C 76543210
0 00000001
RLF 0 00000010
RLF 0 00000100
RLF 0 00001000
RLF 0 00010000
RLF 0 00100000
RLF 0 01000000
RLF 0 10000000
RLF 1 00000000
RLF 0 00000001

[Nota de la traducción: La sintaxis para estas dos instrucciones es:

RLF <registro>,d
RRF <registro>,d

Donde d le dice al PIC donde almacenar el resultado. Si d=0, el resultado se almacena en el registro W, y si d=1 el resultado se almacena en ese registro especificado.]
Programa de ejemplo
Ahora vamos a darte un ejemplo de código que puedes compilar y ejecutar. Este hará que una luz que se desplace, comenzando en el bit 0 del puerto B hasta el bit 8 del mismo, siguiendo al bit 0 del puerto A hasta el bit 5, y después haciendo todo el camino inverso hasta al principio. Conecta LEDs a todos los pines de los puertos A y B. Aquí comprenderás algunas de las operaciones de bit mencionadas en este capítulo:

TIEMPO     equ     9Fh        ; Variable para el bucle de retardo. 
PORTB      equ     06h        ; Dirección del Port B. 
TRISB      equ     86h        ; Dirección del registro tri-estado del Port B. 
PORTA      equ     05h        ; Dirección del Port A. 
TRISA      equ     85h        ; Dirección del registro tri-estado del Port A. 
STATUS     equ     03h        ; Registro para seleccionar el banco. 
CONTADOR1  equ     0Ch        ; Registro para el bucle. 
CONTADOR2  equ     0Dh        ; Registro para el bucle.
           bsf     STATUS,5   ; Va al Banco 1
           movlw   00h        ; y configura
           movwf   TRISB      ; ambos puertos A y B
           movlw   00h        ; como salidas,
           movwf   TRISA      ; después vuelve
           bcf     STATUS,5   ; al Banco 0. 
           movlw   00h        ; Pon a 0 el Puerto A.
           movwf   PORTA      ;

; Comienzo del programa
CorreLuz
           movlw   01h        ; Pon a 1 el primer bit
           movwf   PORTB      ; del Puerto B. PORTB = 00000001
           call    Retardo    ; Espera un momento.
           call    Retardo    ;  
; Desplaza el bit a la izquierda, y después pausa.
           rlf     PORTB,1    ; PORTB = 00000010, C = 0
           call    Retardo 
           call    Retardo 
           rlf     PORTB,1    ; PORTB = 00000100, C = 0
           call    Retardo 
           call    Retardo 
           rlf     PORTB,1    ; PORTB = 00001000, C = 0
           call    Retardo
           call    Retardo
           rlf     PORTB,1    ; PORTB = 00010000, C = 0
           call    Retardo
           call    Retardo
           rlf     PORTB,1    ; PORTB = 00100000, C = 0
           call    Retardo
           call    Retardo
           rlf     PORTB,1    ; PORTB = 01000000, C = 0
           call    Retardo 
           call    Retardo 
           rlf     PORTB,1    ; PORTB = 10000000, C = 0
           call    Retardo 
           call    Retardo 
           rlf     PORTB,1    ; Este desplaza el bit al flag CARRY.
                              ; PORTB = 00000000, C = 1

; Ahora se moverá al puerto A, desplazando el bit hacia la izquierda.
           rlf     PORTA,1    ; Esto mueve el bit desde el flag CARRY al puerto A.
                              ; PORTA = 00001, C = 0            
           call    Retardo 
           call    Retardo 
           rlf     PORTA,1    ; PORTA = 00010, C = 0
           call    Retardo 
           call    Retardo 
           rlf     PORTA,1    ; PORTA = 00100, C = 0
           call    Retardo 
           call    Retardo
           rlf     PORTA,1    ; PORTA = 01000, C = 0
           call    Retardo 
           call    Retardo
           rlf     PORTA,1    ; PORTA = 10000, C = 0;
           call    Retardo 
           call    Retardo

; Desplaza el bit de vuelta por el puerto A
           rrf     PORTA,1    ; PORTA = 01000, C = 0;
           call    Retardo
           call    Retardo
           rrf     PORTA,1    ; PORTA = 00100, C = 0;
           call    Retardo
           call    Retardo
           rrf     PORTA,1    ; PORTA = 00010, C = 0;
           call    Retardo
           call    Retardo
           rrf     PORTA,1    ; PORTA = 00001, C = 0;
           call    Retardo
           call    Retardo
           rrf     PORTA,1    ; Esta desplaza el bit al flag CARRY
                              ; PORTA = 00000, C = 1;  

; Ahora desplaza el bit de vuela al Puerto B
           rrf     PORTB,1    ; PORTB = 10000000, C = 0
           call    Retardo
           call    Retardo
           rrf     PORTB,1    ; PORTB = 01000000, C = 0
           call    Retardo
           call    Retardo
           rrf     PORTB,1    ; PORTB = 00100000, C = 0
           call    Retardo
           call    Retardo
           rrf     PORTB,1    ; PORTB = 00010000, C = 0
           call    Retardo
           call    Retardo
           rrf     PORTB,1    ; PORTB = 00001000, C = 0
           call    Retardo
           call    Retardo
           rrf     PORTB,1    ; PORTB = 00000100, C = 0
           call    Retardo
           call    Retardo
           rrf     PORTB,1    ; PORTB = 00000010, C = 0
           call    Retardo
           call    Retardo
           rrf     PORTB,1    ; PORTB = 00000001, C = 0
           call    Retardo
           call    Retardo    ; Ahora hemos vuelto a donde empezamos,
                              ;
           goto    CorreLuz   ; Vamos a hacerlo de nuevo. 

; La subrutina para hacer el retardo entre los movimientos de bits.
Retardo
           movlw   TIEMPO     ; Cogemos el tiempo de retardo,
           movwf   CONTADOR1  ; y lo ponemos en una variable. 
Bucle1                        ;
           decfsz  CONTADOR1  ; Decrementa el tiempo de retardo hasta
           goto    Bucle1     ; que alcance cero.
           movwf   CONTADOR1  ; Cogemos el tiempo de retardo de nuevo, 

Bucle2                        ; y repetimos la cuenta atrás.
           decfsz  CONTADOR1  ; 
           goto    Bucle2     ; 
           return             ; Fin de la subrutina.

           end                ;

11. Tablas de Datos

Hay una propiedad interesante en el conjunto de instrucciones del PIC, que nos va a permitir realizar tablas de datos.
Una tabla de datos es una lista simple de valores de datos, donde cada uno de ellos puede ser leído(solo leído) dependiendo de algún criterio.
[Nota de la traducción: El ejemplo dado en el texto original, se ha sustituido por este que mostramos a continuación para hacer más comprensible el concepto de tabla de datos. Al final del capítulo se incluye un programa para realizar el ejemplo:
Por ejemplo, podrías hacer un circuito con el PIC, que cuente de 0 a 9 y represente este número en un display de 7 segmentos. El display de 7 segmentos lo vamos a conectar al puerto B. De manera que cada pin encienda un LED del display (como tenemos 8 pines en el puerto B, uno de ellos no sería utilizado). Para ello, podemos utilizar el siguiente esquema de conexiones entre el PIC y el display:
TutorialPIC_Display7_segmentos_con_PICPortB

Es decir, el pin RB7 no lo conectaríamos al display. De este modo tendremos la siguiente tabla de correspondencias entre los números a representar y el valor binario que debe de tomar el puerto B para que se enciendan los diodos LED correspondientes:

Número Valor para puerto B Imagen en el display
1 b’01000001′ = 41h TutorialPIC_Display7_segmentos_con_PICPortB_1
2 b’00111011′ = 3Bh TutorialPIC_Display7_segmentos_con_PICPortB_2
3 b’01101011′ = 6Bh TutorialPIC_Display7_segmentos_con_PICPortB_3
4 b’01001101′ = 4Dh TutorialPIC_Display7_segmentos_con_PICPortB_4
5 b’01101110′ = 6Eh TutorialPIC_Display7_segmentos_con_PICPortB_5
6 b’01111110′ = 7Eh TutorialPIC_Display7_segmentos_con_PICPortB_6
7 b’01000011′ = 43h TutorialPIC_Display7_segmentos_con_PICPortB_7
8 b’01111111′ = 7Fh TutorialPIC_Display7_segmentos_con_PICPortB_8
9 b’01101111′ = 6Fh TutorialPIC_Display7_segmentos_con_PICPortB_9
0 b’01110111′ = 77h TutorialPIC_Display7_segmentos_con_PICPortB_9

Bien, pues esta tabla de correspondencias la queremos tener almacenada en el PIC, y mediante el uso de una tabla de datos, vamos a poder hacerlo. Y así podremos representar el número adecuado en cada momento.]
Ahora, antes de continuar con la explicación de como funciona la tabla de datos, tenemos que explicar como hace el PIC seguimiento de por donde va el programa mientras se está ejecutando. Si alguna vez has programado en BASIC esto te ayudará a comprenderlo. Si no, no te preocupes, aun así serás capaz de comprender el concepto.
Imagina que tenemos un programa BASIC como el que se muestra AQUÍ:

 10    LET K=0
 11    K=K+1
 12    IF K>10 THEN GOTO 20 ELSE GOTO 11
 20    PRINT K
 21    END

El programa comienza en la linea 10. Una vez que K vale 0, continua con la linea 11. Después de que le hemos añadido 1 a K nos desplazamos a la linea 12. Aquí estamos preguntando si K es mayor que 10. Si lo es, entonces vamos a la linea 20, y si no, volvemos a la 11. La linea 20 muestra el valor de K en pantalla, y la linea 21 finaliza el programa. BASIC utiliza los números de linea para ayudar al programador a hacer seguimiento de donde está cada cosa, ya que las etiquetas no están permitidas.

 

El PIC utiliza etiquetas para saltar de unas posiciones a otras, ¿si?. Utilizamos las etiquetas para que sepamos donde están las cosas, y también para que podamos decirle al PIC de una manera sencilla donde tiene que ir. Lo que realmente ocurre es que el PIC utiliza un contador de línea interno llamado Contador de Programa [Nota de la traducción: en ingles «Program Counter», abreviado también como PC. ]. El Contador de Programa mantiene almacenada la dirección de la posición de memoria donde se encuentra la instrucción actual. Cuando le decimos al PIC que vaya a una etiqueta en particular, sabe la posición de memoria y por tanto modifica el PC hasta que alcanza esa posición y la lee. Esto es exactamente el mismo modo en el que leemos nosotros el programa BASIC anterior.
Aquí hay una sección de código, con las posiciones de memoria, o contenidos del PC, junto a cada instrucción:

PC          Instrucción

0000        movlw    03h 
0001        movwf    0Ch 
0002 Bucle  decfsc   0Ch 
0003        goto Bucle 
0004        end 

En este ejemplo anterior hemos puesto el PC a 0000. En esta posición tenemos la instrucción «movlw 03h». Cuando el PIC ha ejecutado esta instrucción, incrementará PC para que la siguiente instrucción pueda ser leída. Aquí el PIC ve «movwf 0Ch». El PC se incrementa de nuevo. Ahora el PIC lee «decfsc 0Ch». Si el contenido del registro 0Ch no es 0, entonces el PC se incrementa en 1, y la siguiente instrucción, «goto Bucle», le dice al PC que vaya de vuelta a la posición 0002, en la cual hemos escrito la palabra «Bucle». Si el contenido del 0Ch es 0, entonces el PC será incrementado en 2, en otras palabras se saltará la siguiente instrucción. Esto colocará el PC en la posición 0004, donde el programa termina.
Las posiciones son asignadas por el programa ensamblador (p.ej. MPASM), y normalmente no nos tenemos que preocupar de lo que hace el Contador de Programa(PC). Hasta que necesitemos controlarlo, como vamos a hacer cuando usemos tablas de datos.

La mejor manera de explicar como funciona una tabla de datos es comenzar con un pequeño ejemplo.

PC          equ      02h

            movlw    03h
            call     tabla
            :
            :
            :
tabla       addwf    PC
            retlw    0Ah
            retlw    0Bh
            retlw    0Ch
            retlw    0Dh
            retlw    0Eh
            retlw    0Fh
            retlw    10h
            return

La primera instrucción esta asignando a la etiqueta PC la dirección del Contador de Programa (02h). Después colocamos el valor 03h en el registro w. A continuación hacemos una llamada a «tabla». La primera linea en la subrutina «tabla» añade los contenidos del registro W (03h) al Contador de Programa. Esto causa que el contador de programa se incremente en 3, o dicho de otro modo, causa que el contador de programa se mueva 3 lineas hacia abajo. Cuando el contador llega 3 lineas más abajo el PIC ve la instrucción retlw. Este comando pasa el valor que viene con la instrucción, al registro W, y retorna desde la subrutina.

RETLW realmente significa «RETurn, y pon el Literal en W«. Date cuenta de que hemos puesto una coma después de la palabra «return» en la frase anterior. Como si estuviésemos en una subrutina normal, necesitamos una instrucción de «return» para salir de ella. Eso lo hace el RET en la instrucción. Después de la instrucción RETLW hay un número, y este es el que colocaremos en el registro W. En este caso el número 0Ch.
[Nota de la traducción: En resumidas cuentas, el valor que ponemos en el registro W antes de llamar a la subrutina «tabla», indica qué posición queremos mirar de la tabla. Es decir, actúa de índice o indicador de la posición que queremos ver. Al pasarle un 3 a W antes de «call tabla», le estamos diciendo que queremos recuperar el valor que existe en la posición 3 de la tabla. La primera instrucción de la subrutina «tabla» dice «sumarle el contenido de W a PC», es decir, le sumará 3 a PC. Lo cual va a trasladar el PC hasta la instrucción «retlw 0Ch». Entonces, este valor, 0Ch, será copiado en el registro W, y se efectuará un «RETurn», que hace que el programa continúe por la instrucción siguiente a «call tabla». Ahora, estamos de vuelta al flujo principal del programa con W cargado con el dato que queríamos recuperar de nuestra tabla.
De este modo, hemos creado una tabla de datos, que la podremos consultar cuando queramos para ver un valor de una posición concreta. En el ejemplo del display de 7 segmentos se ve de modo práctico para qué se podría utilizar una tabla de datos.]
(Antes de llamar a la subrutina) podemos asignar cualquier número a W, siempre y cuando este número al ser añadido a PC haga que PC se desplace aun elemento de la tabla de la subrutina, allí donde hemos puesto una instrucción retlw. En el ejemplo anterior esto significa que podemos poner un número de 1 a 7. Si nos pasamos de largo de la subrutina, podríamos terminar ejecutando otra parte del programa. Por esta razón, siempre es buena idea poner la tabla de datos al final del programa, así si nos pasamos de largo podemos llegar al final del programa en cualquier caso.
[Nota de la traducción: Continuando con el ejemplo del display de 7 segmentos, ponemos aquí la tabla de datos que tendremos que crear. La hemos sacado de la tabla del principio de este capítulo:

Posción Valor Número para el display
1 b’01000001′ = 41h 1
2 b’00111011′ = 3Bh 2
3 b’01101011′ = 6Bh 3
4 b’01001101′ = 4Dh 4
5 b’01101110′ = 6Eh 5
6 b’01111110′ = 7Eh 6
7 b’01000011′ = 43h 7
8 b’01111111′ = 7Fh 8
9 b’01101111′ = 6Fh 9
10 b’01110111′ = 77h 0

Hemos puesto el 0 en la última posición, para que el resto de los números que hay que representar en el display, coincidan con la posición que ocupan en la tabla.
De este modo, la tabla se podría crear utilizando el siguiente código:

PC        equ      02h
          :
          :
tabla     addwf PC
          retlw    41h
          retlw    3Bh
          retlw    6Bh
          retlw    4Dh
          retlw    6Eh
          retlw    7Eh
          retlw    43h
          retlw    7Fh
          retlw    6Fh
          retlw    77h
          return

Hemos reutilizado parte del código que hemos empleado anteriormente para crear este nuevo. Así que habrá partes que te serán familiares. Este es el código completo para hacer que el PIC muestre en el display una cuenta ascendente de 0 a 9 y vuelta a empezar:

PC         equ      02h       ; Dirección del Contador de Programa(PC) 
TIEMPO     equ      9Fh       ; Variable para el bucle de retardo. 
PORTB      equ      06h       ; Dirección del Port B. 
TRISB      equ      86h       ; Dirección del registro tri-estado del Port B. 
STATUS     equ      03h       ; Registro para seleccionar el banco. 
CONTADOR1  equ      0Ch       ; Registro para el bucle. 
CONTADOR2  equ      0Dh       ; Registro para el bucle.

; **** Configuramos el Puerto B ****
           bsf     STATUS,5   ; Va al Banco 1
           movlw   00h        ; y configura los pines del Puerto B
           movwf   TRISB      ; todos como salidas. 
           bcf     STATUS,5   ; Vuelta al Banco 0. 
           movlw   00h        ; Pon a 0 el Puerto B. Es decir,
           movwf   PORTB      ; el display totalmente apagado.

; **** Comienzo del programa ****
Inicio
           movlw   0Ah        ; Carga en W el valor 10 antes de llamar a la tabla
           call    tabla      ; para recuperar la configuración de encendido del 0.
           movwf   PORTB      ; Ahora W = 77h, lo pone en puerto B, para representar 0 en el display.

           call    Retardo    ; Espera un momento.
           call    Retardo    ; Para que se pueda ver el 0 

           movlw   01h        ; Carga en W el valor 1 antes de llamar a la tabla
           call    tabla      ; para recuperar la configuración de encendido del 1.
           movwf   PORTB      ; De W lo pone en puerto B, para representar 1 en el display.

           call    Retardo    ;
           call    Retardo    ; 

           movlw   02h        ; Carga en W el valor 2 antes de llamar a la tabla
           call    tabla      ; para recuperar la configuración de encendido del 2.
           movwf   PORTB      ; De W lo pone en puerto B, para representar 2 en el display.

           call    Retardo    ;
           call    Retardo    ; 

           movlw   03h        ; Carga en W el valor 3 antes de llamar a la tabla
           call    tabla      ; para recuperar la configuración de encendido del 3.
           movwf   PORTB      ; De W lo pone en puerto B, para representar 3 en el display.

           call    Retardo    ; 
           call    Retardo    ; 

           movlw   04h        ; Carga en W el valor 4 antes de llamar a la tabla
           call    tabla      ; para recuperar la configuración de encendido del 4.
           movwf   PORTB      ; De W lo pone en puerto B, para representar 4 en el display.

           call    Retardo    ; 
           call    Retardo    ; 

           movlw   05h        ; Carga en W el valor 5 antes de llamar a la tabla
           call    tabla      ; para recuperar la configuración de encendido del 5.
           movwf   PORTB      ; De W lo pone en puerto B, para representar 5 en el display.

           call    Retardo    ; 
           call    Retardo    ; 

           movlw   06h        ; Carga en W el valor 6 antes de llamar a la tabla
           call    tabla      ; para recuperar la configuración de encendido del 6.
           movwf   PORTB      ; De W lo pone en puerto B, para representar 6 en el display.

           call    Retardo    ; 
           call    Retardo    ; 

           movlw   07h        ; Carga en W el valor 7 antes de llamar a la tabla
           call    tabla      ; para recuperar la configuración de encendido del 7.
           movwf   PORTB      ; De W lo pone en puerto B, para representar 7 en el display.

           call    Retardo    ; 
           call    Retardo    ; 

           movlw   08h        ; Carga en W el valor 8 antes de llamar a la tabla
           call    tabla      ; para recuperar la configuración de encendido del 8.
           movwf   PORTB      ; De W lo pone en puerto B, para representar 8 en el display.

           call    Retardo    ; 
           call    Retardo    ; 

           movlw   09h        ; Carga en W el valor 9 antes de llamar a la tabla
           call    tabla      ; para recuperar la configuración de encendido del 9.
           movwf   PORTB      ; De W lo pone en puerto B, para representar 9 en el display.

           call    Retardo    ; 
           call    Retardo    ; 

           goto    Inicio     ; Vamos a hacerlo de nuevo. 

; **** La subrutina para hacer el retardo entre los números. ****
Retardo
           movlw   TIEMPO     ; Cogemos el tiempo de retardo,
           movwf   CONTADOR1  ; y lo ponemos en una variable. 
Bucle1  ;
           decfsz  CONTADOR1  ; Decrementa el tiempo de retardo hasta
           goto    Bucle1     ; que alcance cero.
           movwf   CONTADOR2  ; Cogemos el tiempo de retardo de nuevo, 

Bucle2                         ; y repetimos la cuenta atrás.
           decfsz  CONTADOR2  ; 
           goto    Bucle2     ; 
           return             ; Fin de la subrutina.

; **** Y aquí la tabla de configuraciones para representar los números...
;       ...en el display de 7 segmentos, de acuerdo a nuestro esquema de conexiones.
tabla      addwf PC
           retlw    41h       ; Carga 41h (representación de 1) en W y retorna.
           retlw    3Bh       ; Carga 3Bh (representación de 2) en W y retorna.
           retlw    6Bh       ; Carga 6Bh (representación de 3) en W y retorna.
           retlw    4Dh       ; Carga 4Dh (representación de 4) en W y retorna.
           retlw    6Eh       ; Carga 6Eh (representación de 5) en W y retorna.
           retlw    7Eh       ; Carga 7Eh (representación de 6) en W y retorna.
           retlw    43h       ; Carga 43h (representación de 7) en W y retorna.
           retlw    7Fh       ; Carga 7Fh (representación de 8) en W y retorna.
           retlw    6Fh       ; Carga 6Fh (representación de 9) en W y retorna.
           retlw    77h       ; Carga 77h (representación de 0) en W y retorna.
           return             ; 

           end                ; Fin del programa.

Obviamente, este programa es un simple ejemplo que puede ser optimizado con los conceptos que has aprendido en los anteriores capítulos. ¿ podrías reducir el número de instrucciones ? ¿ Podrías hacer que la cuenta fuese ascendente o descendente dependiendo del valor de otro pin del puerto A ? ¡¡Animo!! , esta es una buena ocasión de experimentar con lo que ya sabes.

12. Interrupciones : una introducción

El tema de las interrupciones va a ser probablemente el más difícil y que más tiempo nos llevará revisar. No hay una manera sencilla de explicar las interrupciones, pero espero que para el final de esta sección seas capaz de implementar las interrupciones en tus propios programas. Hemos dividido el tema en dos capítulos. Esto es para ayudar a reducir la materia, y darte a ti, lector, una pausa.

Así que, ¿qué es una interrupción? Bien, como su nombre sugiere, una interrupción es un proceso o una señal que hace detenerse al microprocesador/microcontrolador de lo está haciendo, para que haga otra cosa. Permiteme darte un ejemplo de la vida cotidiana. Supón que estás sentado en tu casa, charlando con alguien. De repente el teléfono suena. Tú detienes la charla, levantas el teléfono y hablas con la persona que te llamó. Cuando terminas tu conversación telefónica, vuelves para charlar con la persona que estabas antes de que sonase el teléfono. Puedes hacerte la idea de que la rutina principal es que tú estás charlando con alguien, que el teléfono suene causa una interrupción a tu charla, y que la rutina de interrupción es el proceso de hablar por teléfono. Cuando la conversación telefónica ha terminado, entonces vuelves a la rutina principal de la charla. Este ejemplo es exactamente igual a como una interrupción hace que actúe un procesador. El programa principal está en curso, ejecutando alguna función en un circuito, pero cuando ocurre una interrupción el programa principal se detiene para que otra rutina se lleve a cabo. Cuando la rutina termina, el procesador vuelve a la rutina principal de nuevo.

El PIC tiene 4 fuentes de interrupción. Se pueden dividir en dos grupos. Dos de ellas son fuentes de interrupciones que pueden ser aplicadas externamente al PIC, mientras que las otras dos son de procesos internos. Vamos a explicar las dos externas aquí. Las otras dos las explicaremos en otros capítulos cuando miremos los temporizadores [Nota de la traducción: timers] y el almacenamiento de datos.

TutorialPIC_Pines_PIC16F84
Si observas los pines del PIC, verás que el pin 6 se muestra como RB0/INT. RB0 es obviamente el bit 0 del Puerto B. El INT simboliza que también puede ser configurado como un pin de interrupción. También, los bits del 4 al 7 del puerto B (pines 10 al 13) pueden ser utilizados para interrupciones. Antes de que usemos INT u otros pines del puerto B, necesitamos hacer dos cosas. La primera necesitamos decirle al PIC que vamos a usar las interrupciones. Segunda, necesitamos especificar que pin del puerto B usaremos como interrupción y no como un pin de Entrada/Salida.

Dentro del PIC hay un registro llamado INTCON, y su dirección es la 0Bh. Dentro de este registro hay 8 bits que pueden ser habilitados o deshabilitados.

  • El bit 7 de INTCON es llamado GIE [Nota de la Traducción: en ingles de las siglas «Global Interrupt Enable», en castellano «Habilitador de Interrupciones Global»]. Poniendo este bit a 1 le decimos al PIC que vamos a usar una interrupción.
  • El bit 4 de INTCON es llamado INTE [Nota de la traducción: en ingles, «INT Enable». En castellano «Habilita INT», o dicho de otro modo que utilizaremos el pin 6 con su función INT, no como RB0.]. Poniendo este bit a 1 decimos al PIC que RB0 será un pin de interrupción.
  • Poniendo a 1 el bit 3 de INTCON, llamado RBIE, decimos al PIC que usaremos los bits del 4 al 7 del puerto B como interrupciones. Ahora el PIC sabe que cuando uno de estos pines cambia a nivel alto o cambia nivel bajo, tiene que parar lo que esté haciendo e ir a una rutina de interrupción.
  • Ahora, tenemos que decirle al PIC si la interrupción se va a producir en la transición ascendente de la señal(de 0 Voltios a +5 Voltios) o la descendente (de +5V a 0V). En otras palabras, ¿queremos que el PIC haga la interrupción cuando la señal vaya de nivel bajo a nivel alto, o de nivel alto a nivel bajo? . Por defecto, esto está configurado para que sea en la transición ascendente (o flanco de subida de la señal). El flanco de «disparo» se configura en otro registro llamado OPTION, que está en la dirección 81h.
    El bit en el que estamos interesados es el bit 6, que se llama INTEDG [Nota de la traducción: del ingles «INTerrupt EDGe», o en castellano «flanco para la interrupción» ]. Poniendo este a 1 causará que el PIC sea interrumpido en el flanco de subida o transición ascendente (el estado por defecto) y poniéndolo a 0 causará que el PIC sea interrumpido en el flanco de bajada o transición descendente. Si quieres que el PIC sea interrumpido en el flanco de subida, no necesitas configurar el bit. Pero, desafortunadamente el registro OPTION está en el Banco 1, lo que significa que tienes que cambiar del banco 0 al banco 1, cambiar el bit del registro OPTION, y después volver al banco 0. El truco está en hacer todas las operaciones con los registros del banco 1 de una sola vez, tales como configurar los pines de los puertos, etc… y después volver al banco 0 cuando hayas terminado.

[Nota de la Traducción: A modo de esquema, esto es lo que hay que hacer por orden, para utilizar las interrupciones externas:

1º – Poner a 1 el bit 7 (GIE) del registro INTCON (OBh).
2º – En el mismo registro INTCON:
2.1 – Poner a 1 el bit 4 (INTE), si queremos utilizar el pin 6 como entrada de INTerrupción.
2.2 – O poner a 1 el bit 3 (RBIE), si queremos utilizar los pines del 10 al 13 (bits 4 a 7 del puerto B) como entrada de interrupción.
3º – En el registro OPTION (81h):
3.1 – Poner en el bit 6 (INTEDG) un 1 si queremos que se active la interrupción en el flanco de subida(de 0V a +5V).
3.2 – Poner en el bit 6 (INTEDG) un 0 si queremos que se active la interrupción en el flanco de bajada(de +5V a 0V).

Bien, así que ahora que le hemos dicho al PIC qué pin va a ser para la interrupción, y en qué flanco se va a disparar la misma, ¿qué ocurre en el programa y en el PIC cuando sucede la interrupción ?
Ocurren dos cosas. Primero, se activa un flag. Este le dice al procesador interno del PIC que ha ocurrido una interrupción. Segundo, el Contador de Programa (que hemos mencionado en el capítulo anterior) apunta a una dirección particular dentro del PIC. Vamos a ver cada cosa separadamente.

El Flag de Interrupción

En nuestro registro INTCON, el bit 1 es el flag de interrupción llamado INTF [Nota de la Traducción: «INTerrupt Flag»]. Entonces, cuando ocurra una interrupción, este flag se pondrá a 1. Mientras no haya una interrupción, el flag estará a 0. Y eso es todo lo que hace. Ahora estarás probablemente pensando, y entonces ¿para qué sirve? Bien, mientras este flag esté a 1, el PIC no puede, de ninguna manera, atender a cualquier otra interrupción. Por que digamos que causamos una interrupción. El flag se pondrá a 1, y el PIC va a nuestra rutina de interrupción para procesarla. Si el flag no fuese puesto a 1, al PIC se le permitiría seguir respondiendo a las interrupciones, y por tanto una serie de pulsos continuos sobre el pin harían que el PIC volviese a comenzar con nuestra rutina, y nunca la terminaría. Volviendo a mi ejemplo del teléfono, es como descolgar el teléfono, y tan pronto como comienzas a hablar, que volviese a sonar de nuevo porque alguien más quiere hablar contigo. Es mucho mejor terminar una conversación, y después descolgar el teléfono de nuevo para hablar con la segunda persona.
Hay un pequeño inconveniente respecto a este flag. Aunque el PIC automáticamente pone el flag a 1, ¡no lo pone de nuevo a 0! Esta tarea tiene que hacerla el programador (por ejemplo tú). Se hace muy fácilmente, y como seguro que ya supones, se tiene que hacer después de que el PIC haya ejecutado la rutina de interrupción.

La Posición de Memoria

Cuando enciendes por primera vez el PIC, o si ocurriese un reset, el Contador de Programa apunta a la dirección 0000h, que está justo al principio de la memoria de programa. Sin embargo, cuando ocurre una interrupción, el Contador de Programa apuntará a la dirección 0004h. Así que, cuando escribamos nuestro programa con interrupciones, lo primero que tenemos que decirle al PIC es que se salte la dirección 0004h, y mantenga, la rutina de interrupción que empieza en esa dirección 0004h, separada del resto del programa. Esto es muy fácil de hacer.

Primero, comenzamos nuestro programa con un comando llamado ORG. Este comando significa Origen, o inicio. Y lo que le sigue es una dirección.[Nota de la traducción: ORG no es una instrucción del PIC sino una directiva del ensamblador, al igual que lo son EQU o END que vimos anteriormente. ORG indica al ensamblador la dirección de memoria a partir de la cual se deberá ubicar el código que viene escrito a continuación de ella.] Dado que el PIC comienza en la dirección 0000h, escribimos «ORG 0000h». Lo siguiente que tenemos que hacer es saltarnos la dirección 0004h. Hacemos esto con una instrucción «GOTO», seguida de la etiqueta que apunte a nuestro programa principal.

A continuación del «GOTO» ponemos otro comando ORG, pero esta vez seguido de la dirección 0004h. Es después de este comando donde introduciremos la rutina de interrupción. Ahora después, podríamos o bien escribir directamente nuestra rutina de interrupción seguida de un segundo comando ORG, o bien podemos poner una instrucción «GOTO» que apunte a la rutina de interrupción (que podríamos escribirla al final del programa). Realmente es una cuestión de elegir por tu parte. Después, en la rutina de interrupción, para decirle al PIC que ha llegado al final de la misma tenemos que poner la instrucción «RETFIE» justo al final. Este comando significa «retorna de la rutina de interrupción». Cuando el PIC la ve, el Contador de Programa apuntará a la última posición en la que el PIC estaba antes de que ocurriese la interrupción.
Ponemos aquí un fragmento de código para mostrar lo anterior:

        ORG     0000h    ; El PIC comienza aquí si se enciende o hay un reset.
        GOTO    Inicio   ; Ve al programa principal.
        ORG     0004h    ; El PIC vendrá aquí si ocurre una interrupción.
        :                ; Esta es nuestra rutina de interrupción
        :                ; con lo que queremos que haga el PIC
        :                ; cuando reciba una interrupción.
        RETFIE           ; Fin de la rutina de interrupción.
Inicio  :            ; Este es el comienzo de nuestro programa principal

Hay dos cosas que tienes que tener en cuenta cuando utilices interrupciones. La primera que si estás usando el mismo registro en tu programa principal y en la rutina de interrupción, recuerda que los contenidos del registro, probablemente cambien cuando ocurra la interrupción. Por ejemplo, estás utilizando el registro W para enviar datos al puerto A en el programa principal, y también vas a utilizar el registro W en tu rutina de interrupción para mover datos de una posición a otra. Si no tienes cuidado, el registro W contendrá el ultimo valor que tenía cuando estaba en la rutina de interrupción, y cuando vuelvas de la interrupción, este dato se enviará al puerto A en lugar del valor que tenías antes de que ocurriese la interrupción. Para evitar esto, dentro de la rutina de interrupción, se tienen que almacenar los contenidos del registro W, antes de que lo uses . Lo segundo es que tiene que existir un retardo entre que ocurre una interrupción y que pueda ocurrir la siguiente. Como sabes, el PIC tiene un reloj externo que puede ser, o bien un Cristal, o bien una red RC (resistencia-condensador). Independientemente de la frecuencia de reloj, el PIC la divide entre 4 y la utiliza para su reloj interno. Por ejemplo, si usas un cristal de 4MHz, el PIC llevará a cabo las instrucciones a 1MHz. A este tiempo interno se le llama Ciclo de Instrucción. Bien, la hoja de características (datasheet), aunque en letra pequeña, dice que debes dejar que pasen de 3 a 4 ciclos de instrucción entre interrupciones. Mi consejo es que dejes 4 ciclos. La razón para este retardo es que el PIC necesita tiempo para saltar a la dirección de interrupción, poner el flag, y volver de la rutina de interrupción. Así que ten esto en mente si estas utilizando otro circuito que genere una interrupción en el PIC.

Un punto a recordar es que si utilizas los bits del 4 al 7 del puerto B como interrupción, no puedes seleccionar un pin individual del puerto B para que sirva como interrupción. Así, si habilitas estos pines, todos estarán habilitados a la vez. De modo que, por ejemplo, no puedes tener solamente los bits 4 y 5, los bits 6 y 7 también los tendrás habilitados. Entonces ¿ Para que sirve tener cuatro bits que actúan como interrupción? Bien, podrías tener un circuito conectado al PIC, y si cualquiera de las cuatro lineas se pusiese a nivel alto, esta podría ser la condición que necesites para que el PIC actuase rápidamente. Un ejemplo de esto puede ser la alarma de una casa, donde cuatro sensores estén conectados a los bits 4 a 7 del puerto B. Cualquier sensor podría activar al PIC para que hiciese sonar una alarma, y que la rutina de hacer sonar la alarma fuese la rutina de interrupción. Esto ahorra el estar comprobando todo el tiempo todos los pines, y permite al PIC continuar haciendo otras cosas.

Cómo escribir el código

En el pasado capítulo cubrimos mas o menos lo básico, así que creemos que es el momento de escribir nuestro primer programa. El programa que vamos a escribir contará el número de veces que un switch es activado, y después mostraremos el número. El programa contará de 0 a 9, mostrando en 4 LEDs en formato binario, y la entrada o interrupción será por RB0.
La primera cosa que tenemos que hacer es decirle al PIC que salte la dirección donde el Contador de Programa apuntará cuando ocurra una interrupción. Aquí notarás que estamos utilizando una forma distinta de expresar los número hexadecimales. Antes usábamos «F9h», donde «h» denotaba que era hexadecimal. Podemos escribir esto como 0xF9, y ese será el formato que vamos a utilizar a partir de ahora.

           org       0x00       ; Aquí es donde apunta el PC si energiza el PIC o en caso de reset
           goto      Principal  ; Ir a nuestro programa principal
           org       0x04       ; Aquí es donde comienza nuestra rutina de interrupción.
           retfie               ; Esto le dice al PIC que la rutina de interrupción
                                ; ha terminado y el PC volverá a apuntar al programa principal

Principal                       ; Este es el comienzo de nuestro programa principal.

Ahora tenemos que decirle al PIC que vamos a utilizar las interrupciones, y que el pin de interrupción va a ser el pin 6 (RB0):

           bsf       INTCON,7   ; GIE – Global interrupt enable (1=habilitado)
           bsf       INTCON,4   ; INTE - RB0 interrupt enable (1=habilitado)

Vamos a poner a 0 el flag de interrupción por si acaso (¡¡no nos fiamos de nada!!):

           bcf       INTCON,1   ; INTF - A 0 por si acaso.

Ahora tenemos que configurar nuestros dos puertos. Recuerda que como estamos utilizando RB0 como pin de interrupción, este debe de ser configurado como entrada:

           bsf       STATUS,5   ; Cambia al banco 1.
           movw      0x01       ;
           movwf     TRISB      ; Establece RB0 como entrada
           movlw     0x10       ;           
           movwf     TRISA      ; Pone los 4 primeros pines del puerto A como salida
           bcf       STATUS,5   ; Vuelve al banco 0.

Vamos a utilizar una variable llamada CONTADOR para almacenar el numero de conmutaciones contadas.
Podríamos simplemente incrementar el valor del puerto A, pero verás porque estamos utilizando una variable cuando escribimos nuestra rutina de interrupción:

Bucle      movf      CONTADOR,0 ; Movemos los contenidos de CONTADOR a W.
           movwf     PORTA      ; Ahora lo movemos al puerto A.
           goto      Bucle      ; Continuamos haciendo esto.
           end                  ; Fin de nuestro programa.

Así, nuestro programa principal está escrito, y ahora tenemos que decirle al PIC que hacer cuando ocurra una interrupción. respecto a esto, nuestra interrupción va a ser una conmutación. Lo que queremos que haga el PIC es añadir 1 a la variable CONTADOR cada vez que el switch esté cerrado. Sin embargo, solo queremos mostrar los número que el switch se cierra de 0 a 9 veces. Antes dijimos que simplemente podríamos incrementar el puerto A cada vez que hubiese una interrupción. Pero, el puerto A tiene 5 bits, y si simplemente incrementamos el valor del puerto, tendremos una cuenta de hasta 31. Hay dos razones por las que elegimos no contar hasta 31. La primera, vamos a utilizar 4 diodos, con los cuales solo podemos mostrar de 0 a 15 (de 0 a F en hexadecimal, o 0000 a 1111 en binario). Segundo, también queremos mostrarte algunos comandos aritméticos que has visto en los pasados capítulos.

 

Así que vamos con nuestra rutina de interrupción.
Ahora la primera cosa que tenemos que hacer es almacenar de manera temporal los contenidos nuestro registro W, ya que lo estamos utilizando para transferir los contenidos de CONTADOR al PORTA. Si no lo almacenamos, entonces podríamos enviar un número completamente diferente como resultado de nuestras operaciones. Así que hagamos eso primero:

           movwf     TEMPORAL   ; Almacenamos w en una posición temporal.

Lo siguientes que queremos es añadir 1 a nuestra variable CONTADOR:

           incf      CONTADOR,1 ; Incrementamos CONTADOR en 1 y ponemos 
                                ; el resultado de vuelta en CONTADOR.

Lo siguientes es hacer un chequeo de CONTADOR para ver si hemos pasado el valor de 9. La forma en que lo podemos hacer es restandole 10.

           movlw     0x0A       ; Ponemos 10 en W.
           subwf     CONTADOR,0 ; Restamos W a CONTADOR y ponemos 
                                ; el resultado en W.

En el capítulo 9. Operadores Lógicos y Aritmétos vimos que si restamos un número mayor a un número menor, el flag de Acarreo (CARRY) se pondrá a 1. Este flag también se pondrá a 1 si lo números son iguales y los restamos.

           btfss     STATUS,0   ; Comprueba el flag CARRY. Se activará si
                                ; CONTADOR es igual o mayor que w, 
                                ; y se activará como resultado de la instrucción subwf

Ahora sabemos si el valor de CONTADOR es 9 o más. Lo que queremos hacer ahora es, si CONTADOR es mayor que 9, ponlo de nuevo a 0, de otro modo vuelve al programa principal para que podamos enviarlo al PORTA. La instrucción BFTSS, como sabes, se saltará la siguiente instrucción si el flag de CARRY se pone a 1. Por ejemplo CONTADOR=10:

           goto      continua    ; Si CONTADOR es <10, entonces continua
           goto      limpiar     ; Si CONTADOR es >9, tenemos que ponerlo a 0

continua
           bcf       INTCON,0x01 ; Tenemos que poner a 0 este flag para
                                 ; permitir más interrupciones.
           movfw     TEMPORAL    ; Restaura W al valor que tenía antes de la interrupción.
           retfie                ; Salir de la rutina de interrupción.

limpiar
           clrf      CONTADOR    ; Pon CONTADOR otra vez a 0.
           bcf       INTCON,1    ; Tenemos que poner a 0 este flag para
                                 ; permitir más interrupciones.
           retfie                ; Salir de la rutina de interrupción.

Todo lo que queda hacer ahora es ponerlo todo junto y también definir los valores de nuestras constantes, lo cual se hará justo al principio de nuestro programa.
Aquí debajo está el listado completo. El circuito se muestra después del listado del programa.
Cada vez que pulses el conmutador, los LEDs contarán in binario desde 0000 a 1010, y vuelta a 0000.

           org       0x00        ; Aquí es donde apunta el PC si energiza el PIC o en caso de reset

; **** DEFINICIÓN DE CONSTANTES*******************************

INTCON     EQU       0x0B        ; Registro de Control de Interrupciones 
PORTB      EQU       0x06        ; Dirección del registro PORTB 
PORTA      EQU       0x05        ; Dirección del registro PORTA 
TRISA      EQU       0x85        ; Dirección del registro TRISA 
TRISB      EQU       0x86        ; Dirección del registro TRISB 
STATUS     EQU       0X03        ; Dirección del registro STATUS 
CONTADOR   EQU       0x0c        ; Esta será nuestra variable contador 
TEMPORAL   EQU       0x0d        ; Almacén temporal para el registro W
           goto      Principal   ; Ir a nuestro programa principal saltando se la dirección de interrupción.

; **** RUTINA DE INTERRUPCION*********************************
           org       0x04        ; Aquí es donde comienza nuestra rutina de interrupción.

           movwf     TEMPORAL    ; Almacenamos w en una posición temporal.
           incf      CONTADOR,1  ; Incrementamos CONTADOR en 1 y ponemos 
                                 ; el resultado de vuelta en CONTADOR.
           movlw     0x0A        ; Ponemos 10 en W.
           subwf     CONTADOR,0  ; Restamos W a CONTADOR y ponemos 
                                 ; el resultado en W.
           btfss     STATUS,0    ; Comprueba el flag CARRY. Se activará si
                                 ; CONTADOR es igual o mayor que w, 
                                 ; y se activará como resultado de la instrucción subwf
           goto      continua    ; Si CONTADOR es <10, entonces continua
           goto      limpiar     ; Si CONTADOR es >9, tenemos que ponerlo a 0

continua
           bcf       INTCON,0x01 ; Tenemos que poner a 0 este flag para
                                 ; permitir más interrupciones.
           movfw     TEMPORAL    ; Restaura W al valor que tenía antes de la interrupción.
           retfie                ; Salir de la rutina de interrupción.
limpiar
           clrf      CONTADOR    ; Pon CONTADOR otra vez a 0.
           bcf       INTCON,1    ; Tenemos que poner a 0 este flag para
                                 ; permitir más interrupciones.
           retfie                ; Salir de la rutina de interrupción.
	
; **** PROGRAMA PRINCIPAL***********************************

Principal                       ; Este es el comienzo de nuestro programa principal.

; **** Configura los Registros de Interrupción*************

           bsf       INTCON,7   ; GIE – Global interrupt enable (1=habilitado)
           bsf       INTCON,4   ; INTE - RB0 interrupt enable (1=habilitado)
           bcf       INTCON,1   ; INTF - A 0 por si acaso.

; **** Configura los puertos*******************************

           bsf       STATUS,5   ; Cambia al banco 1.
           movw      0x01       ;
           movwf     TRISB      ; Establece RB0 como entrada
           movlw     0x10       ;           
           movwf     TRISA      ; Pone los 4 primeros pines del puerto A como salida
           bcf       STATUS,5   ; Vuelve al banco 0.

; **** Ahora envía el valor de CONTADOR al PORTA***********

Bucle
           movf      CONTADOR,0 ; Movemos los contenidos de CONTADOR a W.
           movwf     PORTA      ; Ahora lo movemos al puerto A.
           goto      Bucle      ; Continuamos haciendo esto.
           end                  ; Fin de nuestro programa.

 

Diagrama del circuito
Mas abajo está el diagrama del circuito funcionará con el código anterior. Hay dos cosas en el diagrama que puede que te sorprendan. Primero, no hemos incluido el condensador de temporización en el circuito. Este es un ingenioso truco que puedes intentar si te quedas sin condensadores. La capacitancia viene dada por la capacitancia de separación entre el pin del oscilador y pin de masa. Por tanto, con una resistencia y la capacitancia de separación, tenemos un oscilador RC. Bien, no es una manera precisa de hacerlo, ya que la capacitancia de separación variará de un circuito a otro. Pero, pensábamos que podrías encontrar interesante esta idea. Segundo, hemos incluido un circuito anti-rebote para el switch. Este hará que el PIC «crea» que ha existido más de una pulsación. Con el circuito anti-rebote, cuando el switch se pone a nivel alto, el condensador se carga. No importa cuantas veces el switch vaya a nivel alto (+5V), el condensador solo se cargará una vez. El condensador es descargado cuando el switch se pone en la otra posición. Si quieres ver los efectos de rebote de un switch, quita el condensador y la resistencia del switch.
TutorialPIC_circuito_interrupciones

13. El Watchdog Timer

Ahora vamos a echar un vistazo a un temporizador interno, llamado «Watchdog Timer» [Nota de la traducción: En castellano sería, «temporizador perro guardián»]

Así que, ¿Qué es un watchdog timer?

Supón que has escrito un programa que está continuamente corriendo en un PIC. Ahora, quieres asegurarte de que el programa sigue ejecutándose siempre, y no hay manera de que se pare nunca. La primera cosa que tienes que hacer, por supuesto, es un bucle que desde el final del programa te lleve hasta el principio. Pero ten en cuenta esto. Digamos que el PIC está monitorizando una entrada. Cuando esta entrada se pone a nivel alto, salta a otra parte del programa y espera por otro pin para que se ponga a nivel alto. Si el segundo pin no se pone a nivel alto, el PIC simplemente «se sentará a esperar». Solo saldrá de ahí si el segundo pin se pone a nivel alto.

Consideremos otro ejemplo. Supón que has escrito un programa, lo has compilado con éxito, e incluso lo has simulado una y otra vez utilizando un simulador como MPLAB. Todo parece funcionar bien. Programas el PIC y lo colocas en tu circuito. Sin embargo después de un largo periodo el programa se atasca en algún punto y el PIC se queda enganchado en un bucle.
Lo que se necesita en ambos casos es alguna clase de reset(o reinicio) si el programa se quedó atascado. Este es el propósito del watchdog timer.

Un circuito watchdog no es nada nuevo. Muchos microprocesadores y microcontroladores lo tienen. Pero, ¿cómo funciona? Bien, dentro del PIC hay una red resistencia-condensador. Esta proporciona un reloj único, que es independiente de cualquier reloj externo que proporciones al circuito. Ahora cuando el watchdog timer (abreviado como WDT) está habilitado, un contador comienza en 00 y se incrementa en 1 hasta que alcanza FF. Cuando pasa de FF a 00 (lo cual es FF+1) el PIC será reiniciado, independientemente de lo que esté haciendo. La única manera de evitar que el WDT reinicie el PIC es reiniciar el propio WDT poniéndolo de vuelta a 00 durante el programa. Ahora puedes ver que si tu programa se atasca por cualquier razón, entonces el WDT no será puesto a 00 nunca. Eso hará que el WDT llegue a FF y reinicie tu PIC, causando a nuestro programa que se reinicie desde el comienzo.
Para utilizar el WDT, tenemos que saber tres cosas:

  • La primera, cuanto tiempo tenemos antes de tener que hacer un reinicio al WDT.
  • Segundo, como lo ponemos a cero.
  • Finalmente, tenemos que decirle al software programador del PIC que habilite el WDT dentro del PIC.

Vamos a ver esto de manera separada:

Tiempos de WDT

La hoja de datos del PIC especifica que el WDT tiene un periodo desde su inicio hasta el final de 18 ms. Esto depende de varios factores, como el voltaje aplicado, la temperatura del PIC, etc… La razón de esta aproximación es debida a que el reloj del WDT es suministrado por una red RC interna. El tiempo de carga de la red RC depende del voltaje de alimentación. También depende de los valores de los componentes, los cuales cambian ligeramente dependiendo de su temperatura. Así que por razones de simplicidad, tomaremos los 18 ms como el tiempo de reinicio del WDT.

Sin embargo, podemos hacer este tiempo mayor. Dentro del PIC hay un elemento llamado Prescaler [Nota de la Traducción: «Prescaler» se puede traducir como «etapa previa de ajuste de escala»]. Podemos programar este prescaler para dividir el reloj interno de la red RC. Cuanto mayor sea el factor de división, más tiempo tardará el WDT en reiniciarse.
El prescaler está localizado en el registro OPTION en la dirección 81h, los bit del 0 al 2 inclusive. Más abajo hay una tabla que muestra las asignaciones de los bits para cada ratio de división y el tiempo de reinicio del WDT:

Bit 2 Bit 1 Bit 0 Ratio Tiempo de WDT
0 0 0 1:1 18ms
0 0 1 1:2 36ms
0 1 0 1:4 72ms
0 1 1 1:8 144ms
1 0 0 1:16 288ms
1 0 1 1:32 576ms
1 1 0 1:64 1.1 Segundos
1 1 1 1:128 2.3 Segundos

Recuerda que estos tiempos son independientes de la frecuencia de tu reloj externo. Piensa en estos tiempos como en tiempo real, en lugar de como tiempos de reloj. Para ayudar a clarificar esto, vamos a suponer que queremos que el WDT reinicie nuestro PIC después de cerca de medio segundo como tiempo de seguridad ante fallo. El valor más próximo que tenemos es 576 ms o 0,576 segundos. Todo lo que hacemos es enviar b’101′ a nuestro registro OPTION, tal y como sigue:

          
          movlw        b’101’        ; Esto es 0x05 en hexadecimal. 
          movwf        81h           ; Este es el registro OPTION. 

Realmente sencillo. Ahora, hay una trampa. Por defecto el prescaler está asignado a otro temporizador interno [Nota de la Traducción: Se refiere al temporizador TMR0.]. Esto significa que tenemos que cambiar el prescaler al WDT [Nota de la Traducción: Para asignar el Prescaler al WDT hay que poner el bit 3 del registo OPTION a 1. Es decir, para poner el prescaler a 576 ms como decíamos antes y asignarlo al WDT, Hay que enviar al registro OPTION el valor b’1101]:

  • Primero, tenemos que reiniciar el otro contador (TMR0) y ponerlo a 0.
  • Después tenemos que cambiar al banco 1 para asignar el prescaler al WDT y configurar el tiempo.
  • Y después volver al banco 0.

El código esta aquí, donde xxx es el valor del prescaler:

            bcf         STATUS,0      ; Nos aseguramos de que estamos en el banco 0 
            clrf        01h           ; Dirección del otro temporizador – TMR0. Lo ponemos a 0.
            bsf         STATUS,0      ; Cambiamos al banco 1switch to bank 1 
            clrwdt                    ; reiniciamos el WDT y el prescaler 
            movlw       b’1xxx’       ; Seleccionamos el valor del nuevo preescaler(bits 0 al 2)     
                                      ; y lo asignamos al WDT(ver bit 3 puesto a 1).
            movwf       OPTION        ; y se lo asignamos al WDT 
            bcf         STATUS,0      ; Vuelve al banco 0 

La instrucción anterior CLRWDT es la que se utiliza para reiniciar el WDT antes de que este reinicie al PIC. Así que todo lo que tenemos que hacer es calcular donde en nuestro programa ocurrirá la finalización del tiempo del WDT, y enviar el comando CLRWDT justo antes de este punto, para que nos aseguremos de que el PIC no se reinicia. Si tu programa es largo, ten en cuenta que puede que necesites más de un CLRWDT. Por ejemplo, si utilizas el tiempo por defecto 18 ms, entonces tenemos que asegurarnos de que el programa ve un CLRWDT cada 18 ms.

Así que ahora llegamos al punto donde tenemos que trabajar en cuanto tiempo tarda nuestro código en ejecutarse, en tiempo real. El principio es muy simple, pero ¡puede que te tires de los pelos!

Temporización de las instrucciones

Como probablemente ya sabrás, el PIC toma el reloj externo y lo divide por 4. Este tiempo interno es llamado ciclo de instrucción. Como hemos dicho que conectamos un cristal de 4 Mhz a nuestro PIC, internamente el PIC irá a 1Mhz. En términos de temporización, esto es 1/(4Mhz/4) = 1 µS. Entonces algunas instrucciones lleva ejecutarlas un solo ciclo de instrucción, p. ej. 1 µS utilizando un cristal de 4Mhz, mientras que otras emplearán 2 µS en ser ejecutadas.

La hoja de características nos dice cuantos ciclos lleva cada instrucción. La forma mas sencilla para recordarlo es muy simple. Asume que todas las instrucciones tardan 1 ciclo. Pero si una instrucción causa que el programa vaya a algún otro sitio, este se tomará 2 ciclos. Permite que te darte un par de ejemplos.

La instrucción «movwf» tarda solo 1 ciclo, porque solo mueve un dato de un lugar a otro. La instrucción «goto» tarda 2 ciclo, porque está causando que el contador de programa (PC) vaya a otro sitio del programa. La instrucción RETURN tarda 2 ciclos, porque causa que el PC vuelva al programa principal. Al menos creemos que con esto ya puedes ver por donde va el tema.

Sin embargo, hay cuatro instrucciones que pueden tardar 1 ó 2 ciclos. Estas son DECFSZ, INCFSZ, BTFSC y BTFSS. Estas instrucciones tienen una cosa en común. Se saltan la siguiente instrucción en caso si se cumple cierta condición. Si no se cumple la condición, entonces se lleva a cabo la siguiente instrucción. Por ejemplo, la instrucción DECFSZ decrementará en 1 el valor almacenado en el registro F. Si el resultado es 0, entonces la siguiente instrucción será ejecutada. Esta instrucción por tanto tarda 1 ciclo. Si el resultado es 0, entonces la instrucción siguiente se la salta, y la siguiente a la anterior será ejecutada. En este ejemplo la instrucción tarda 2 ciclos. La razón es que la instrucción altera el PC. Necesita 1 ciclo para ejecutar la función, y necesita otro para cambiar el PC por uno mas extra.
Para aclarar esto, vamos a mirar un código simple, y trabajaremos sobre los ciclos de instrucción que tarda:

           movlw         02
           movwf         CONTADOR
Bucle      decfsz        CONTADOR
           goto          Bucle
           end

Nuestra primera instrucción simplemente mueve el valor 02 a W. Esto no causa ningún salto, por tanto es solo 1 ciclo. La siguiente instrucción es similar, mueve los contenidos del registro W a CONTADOR. De nuevo, esto tardará 1 ciclo. Ahora, la siguiente instrucción primero decrementa CONTADOR en 1. Esto es 1 ciclo. Después hará una comprobación para ver que CONTADOR es igual a 0. En este momento no lo es, por tanto vamos a la siguiente instrucción. La siguiente instrucción es una de «goto», y por tanto tarda 2 ciclos. Volvemos a nuestra instrucción DECFSZ, la que decrementa CONTADOR en 1 de nuevo. Esto tarda otro ciclo. Hace una comprobación para ver si CONTADOR es igual a 0. Esta vez lo es, y por tanto se salta la siguiente instrucción. Para saltarse la siguiente instrucción se requiere otro ciclo. Alcanzamos el final del programa. Así que en total, con el valor de 02 para CONTADOR, este programa tarda 7 ciclos en total. Si estamos usando un cristal de 4MHz para nuestro reloj, entonces el programa tarda:

1/(4MHz/4) = 1 µS por ciclo , por tanto 7 ciclos son 7 x 1 µS = 7 µS.

Software Programador

Dentro del PIC hay elementos llamados «Fusibles» [Nota de Traducción: En ingles «Fuses»]. No son los mismos que puedes encontrar en los enchufes, sino que son conmutadores electrónicos que se pueden «fundir» por el programador. Uno de estos fusibles tiene que ser ‘fundido’ para que el WDT pueda operar. Hay dos formas de hacerlo. Una es escribiendo un par de lineas al comienzo de tu programa para decirle al software programador del PIC que habilite o deshabilite ciertos «fusibles». La otra forma de hacerlo es decirle al software programador del PIC manualmente que fusibles habilitar. Echaremos un vistazo a nuestro programa para instruir al software programador del capítulo pasado, cuando veamos como incluir otros ficheros y macros. El cómo hacerlo manualmente varía dependiendo del software de programación. La documentación que viene con el programador suele decir como hacerlo. Como estoy utilizando el [software PICALLW], explicaremos como cambiar los «fusibles» con este programa:
Los fusibles se configuran pulsando la tecla F3, o haciendo ‘click’ sobre el botón de configuración. Después seleccionas el fusible que quieres habilitado, en ese caso el WDT, haciendo una marca en la caja que está junto a él.

 

Programa de ejemplo

Vamos a escribir un programa, donde modifiquemos el WDT, y permitamos al PIC ejecutar una función. Primero borraremos el WDT periódicamente para mostrar que el programa funciona, y después quietaremos la instrucción CLRWDT para mostrar que efectivamente el PIC se reinicia.
El programa que hemos elegido es el utilizado en el capítulo Operadores Lógicos y Aritméticos donde hacíamos que una fila de LEDs se encendiesen a un tiempo de izquierda a derecha y de derecha a izquierda. El circuito se muestra más abajo, y con los valores RC que mostramos le daremos una frecuencia de reloj de 8KHz. Esta velocidad de reloj nos permitirá realmente ver los LEDs moviéndose uno a uno. Elegimos este programa porque es suficientemente lento para que podamos jugar con el WDT, y que puedas ver fácilmente como se reinicia el PIC. Hemos quitado los comentarios originales, y los hemos sustituido por una descripción de las lineas del WDT, y en cada linea del tiempo total desde el inicio (asumiendo 8KHz), y el número total de ciclos de reloj de cada linea.

TutorialPIC_practicaWatchdog

TIEMPO           equ        9FH                ; Variable para el bucle de retardo. 
PORTB            equ        06H                ; Dirección del Port B. 
TRISB            equ        86H                ; Dirección del registro tri-estado del Port B. 
PORTA            equ        05H                ; Dirección del Port A. 
TRISA            equ        85H                ; Dirección del registro tri-estado del Port A. 
STATUS           equ        03H                ; Registro para seleccionar el banco. 
CONTADOR1        equ        0CH                ; Registro para el bucle. 
CONTADOR2        equ        0DH                ; Registro para el bucle.
                 bsf       STATUS,5            ; 1 ciclo,      0.5mS
                 movlw     00H                 ; 1 ciclo,      1.0mS
                 movwf     TRISB               ; 1 ciclo,      1.5mS
                 movlw     00H                 ; 1 ciclo,      2.0mS
                 movwf     TRISA               ; 1 ciclo,      2.5mS
                 bcf       STATUS,5            ; 1 ciclo,      3.0mS
                 movlw     00H                 ; 1 ciclo,      3.5mS
                 movwf     PORTA               ; 1 ciclo,      4.0mS

; Comienzo del programa principal
CorreLuz
                 movlw     01H                 ; 1 ciclo,      4.5mS
                 movwf     PORTB               ; 1 ciclo,      5.0mS
                 call      RETARDO             ; 2 ciclos,   486mS
                 call      RETARDO             ; 2 ciclos,   967mS

; Mueve el bit por la izquierada del puerto B, después pausa.
                 rlf       PORTB,1             ; 1 ciclo,    967.5mS
                 call      RETARDO             ; 2 ciclos, 1.45S
                 call      RETARDO             ; 2 ciclos, 1.93S
                 rlf       PORTB,1             ; 1 ciclo,  1.93S
                 call      RETARDO             ; 2 ciclos, 2.41S
                 call      RETARDO             ; 2 ciclos, 2.89S
                 rlf       PORTB,1             ; 1 ciclo,  2.89S
                 call      RETARDO             ; 2 ciclos, 3.37S
                 call      RETARDO             ; 2 ciclos, 3.85S
                 rlf       PORTB,1             ; 1 ciclo,  3.85S
                 call      RETARDO             ; 2 ciclos, 4.34S
                 call      RETARDO             ; 2 ciclos, 4.82S
                 rlf       PORTB,1             ; 1 ciclo,  4.82S
                 call      RETARDO             ; 2 ciclos, 5.30S
                 call      RETARDO             ; 2 ciclos, 5.78S
                 rlf       PORTB,1             ; 1 ciclo,  5.78S
                 call      RETARDO             ; 2 ciclos, 6.26S
                 call      RETARDO             ; 2 ciclos, 6.74S
                 rlf       PORTB,1             ; 1 ciclo,  6.74S
                 call      RETARDO             ; 2 ciclos, 7.22S
                 call      RETARDO             ; 2 ciclos, 7.70S
                 rlf       PORTB,1             ; 1 ciclo,  7.70S

; Ahora mueve lo al puerto A, al bit de la izquierda.
                 rlf       PORTA,1             ; 1 ciclo,  7.70S
                 call      RETARDO             ; 2 ciclos, 8.19S
                 call      RETARDO             ; 2 ciclos, 8.67S
                 rlf       PORTA,1             ; 1 ciclo,  8.67S
                 call      RETARDO             ; 2 ciclos, 9.15S
                 call      RETARDO             ; 2 ciclos, 9.63S
                 rlf       PORTA,1             ; 1 ciclo,  9.63S
                 call      RETARDO             ; 2 ciclos,10.11S
                 call      RETARDO             ; 2 ciclos,10.59S
                 rlf       PORTA,1             ; 1 ciclo, 10.59S
                 call      RETARDO             ; 2 ciclos,11.07S
                 call      RETARDO             ; 2 ciclos,11.55S 

; Mueve el bit de vuelta al puerto A.
                 rrf        PORTA,1            ; 1 ciclo, 11.55S
                 call       RETARDO            ; 2 ciclos,12.04S
                 call       RETARDO            ; 2 ciclos,12.52S
                 rrf        PORTA,1            ; 1 ciclo, 12.52S
                 call       RETARDO            ; 2 ciclos,12.99S
                 call       RETARDO            ; 2 ciclos,13.48S
                 rrf        PORTA,1            ; 1 ciclo, 13.48S
                 call       RETARDO            ; 2 ciclos,13.96S
                 call       RETARDO            ; 2 ciclos,14.44S
                 rrf        PORTA,1            ; 1 ciclo, 14.44S 

; Ahora mueve el bit de vuelta al puerto B.
                 rrf        PORTB,1            ; 1 ciclo, 14.44S
                 call       RETARDO            ; 2 ciclos,14.92S
                 call       RETARDO            ; 2 ciclos,15.40S
                 rrf        PORTB,1            ; 1 ciclo, 15.40S
                 call       RETARDO            ; 2 ciclos,15.89S
                 call       RETARDO            ; 2 ciclos,16.37S
                 rrf        PORTB,1            ; 1 ciclo, 16.37S
                 call       RETARDO            ; 2 ciclos,16.84S
                 call       RETARDO            ; 2 ciclos,17.33S
                 rrf        PORTB,1            ; 1 ciclo, 17.33S
                 call       RETARDO            ; 2 ciclos,17.81S
                 call       RETARDO            ; 2 ciclos,18.29S
                 rrf        PORTB,1            ; 1 ciclo, 18.29S
                 call       RETARDO            ; 2 ciclos,18.77S
                 call       RETARDO            ; 2 ciclos,19.25S
                 rrf        PORTB,1            ; 1 ciclo, 19.25S
                 call       RETARDO            ; 2 ciclos,19.73S
                 call       RETARDO            ; 2 ciclos,20.22S
                 rrf        PORTB,1            ; 1 ciclo, 20.22S
                 call       RETARDO            ; 2 ciclos,20.70S
                 call       RETARDO            ; 2 ciclos,21.18S


                 goto       CorreLuz           ; 2 ciclos,21.18S

; Subrutina para introducir un retardo entre los movimientos de los bits.
                                               ; Ciclos totales 957, 480mS 
RETARDO
                 movlw      TIEMPO             ; 1 ciclo
                 movwf      CONTADOR1          ; 1 ciclo
BUCLE1  ;
                 decfsz     CONTADOR1          ; 9F x 1 ciclo + 1 ciclo = 160 ciclos
                 goto       BUCLE1             ; 9E x 2 ciclos = 316 ciclos
                 movwf      CONTADOR2          ; 1 ciclo
BUCLE2  ;
                 decfsz   CONTADOR2            ; 9F x 1 ciclo + 1 ciclo = 256 ciclos
                 goto     BUCLE2               ; 9E x 2 ciclos = 316 ciclos

                 return                        ; 2 ciclos
                 END                           ;

Con un reloj de 8KHz, tarda algo menos de 1 segundo en que el siguiente LED se ilumine, y tarda en total 21 segundos en ir de un extremo al otro y volver (es decir, lo que tarda le rutina en ejecutarse una vez solamente). El retardo de la subrutina es de 480ms, y la estamos llamando dos veces antes de mover el bit por los puertos. Ahora, tenemos que hacer el reinicio periódico del WDT. El mayor tiempo que podemos configurar para el WDT es de 2,3 segundos, y el siguiente en la tabla es de 1,1 segundos. Tenemos dos opciones. Podríamos hacer una llamada a la subrutina y reiniciar el WDT después de que los dos Retardos hayan terminado, o podríamos incorporar el CLRWDT dentro del retardo mismo. Hemos decidido, sin ninguna razón importante, poner el CLRWDT dentro de la subrutina de retardo.

TIEMPO           equ       9FH                ; Variable para el bucle de retardo. 
PORTB            equ       06H                ; Dirección del Port B. 
TRISB            equ       86H                ; Dirección del registro tri-estado del Port B. 
PORTA            equ       05H                ; Dirección del Port A. 
TRISA            equ       85H                ; Dirección del registro tri-estado del Port A. 
STATUS           equ       03H                ; Registro para seleccionar el banco. 
CONTADOR1        equ       0CH                ; Registro para el bucle. 
CONTADOR2        equ       0DH                ; Registro para el bucle. 
OPT              equ       81h                ; Registro Option para controlar el WDT
;************* Configura los puertos, el WDT y el preescaler******************
                 clrf      01h                 ; Pone a cero el TMR0
                 bsf       STATUS,5            ; Cambia al banco 1
                 clrwdt                        ; reinicia el WDT y el prescaler
                 movlw     b’1101’             ; Selecciona un nuevo valor para el prescaler y 
                 movwf     OPT                 ; se lo asigna al WDT
                 movlw     00H                 ; Ahora configura los puertos
                 movwf     TRISB               ; 
                 movlw     00H                 ; 
                 movwf     TRISA               ;
                 bcf       STATUS,5            ; Vuelve al banco 0
                 movlw     00H                 ;
                 movwf     PORTA               ; 
;************* Comienzo del programa principal ***************************** 
CorreLuz
                 movlw     01H                 ;
                 movwf     PORTB               ;
                 call      RETARDO             ; 
                 call      RETARDO             ; 
; Mueve el bit por la izquierada del puerto B, después pausa.
                 rlf       PORTB,1             ; 
                 call      RETARDO             ; 
                 call      RETARDO             ; 
                 rlf       PORTB,1             ;
                 call      RETARDO             ; 
                 call      RETARDO             ; 
                 rlf       PORTB,1             ;
                 call      RETARDO             ; 
                 call      RETARDO             ; 
                 rlf       PORTB,1             ;
                 call      RETARDO             ; 
                 call      RETARDO             ; 
                 rlf       PORTB,1             ;
                 call      RETARDO             ; 
                 call      RETARDO             ; 
                 rlf       PORTB,1             ;
                 call      RETARDO             ; 
                 call      RETARDO             ; 
                 rlf       PORTB,1             ;
                 call      RETARDO             ; 
                 call      RETARDO             ; 
                 rlf       PORTB,1             ;
; Ahora mueve lo al puerto A, al bit de la izquierda.
                 rlf       PORTA,1             ; 
                 call      RETARDO             ; 
                 call      RETARDO             ; 
                 rlf       PORTA,1             ;
                 call      RETARDO             ; 
                 call      RETARDO             ; 
                 rlf       PORTA,1             ;
                 call      RETARDO             ; 
                 call      RETARDO             ; 
                 rlf       PORTA,1             ;
                 call      RETARDO             ; 
                 call      RETARDO             ; 
; Mueve el bit de vuelta al puerto A.
                 rrf        PORTA,1            ; 
                 call       RETARDO            ; 
                 call       RETARDO            ; 
                 rrf        PORTA,1            ; 
                 call       RETARDO            ; 
                 call       RETARDO            ; 
                 rrf        PORTA,1            ; 
                 call       RETARDO            ; 
                 call       RETARDO            ; 
                 rrf        PORTA,1            ; 
; Ahora mueve el bit de vuelta al puerto B.
                 rrf        PORTB,1            ; 
                 call       RETARDO            ; 
                 call       RETARDO            ; 
                 rrf        PORTB,1            ; 
                 call       RETARDO            ; 
                 call       RETARDO            ; 
                 rrf        PORTB,1            ; 
                 call       RETARDO            ; 
                 call       RETARDO            ; 
                 rrf        PORTB,1            ; 
                 call       RETARDO            ; 
                 call       RETARDO            ; 
                 rrf        PORTB,1            ; 
                 call       RETARDO            ; 
                 call       RETARDO            ; 
                 rrf        PORTB,1            ; 
                 call       RETARDO            ; 
                 call       RETARDO            ; 
                 rrf        PORTB,1            ; 
                 call       RETARDO            ; 
                 call       RETARDO            ; 
                 goto       CorreLuz           ; 

; Subrutina para introducir un retardo entre los movimientos de los bits.
RETARDO
                 movlw      TIEMPO             ; 1 ciclo                                   
                 movwf      CONTADOR1          ; 1 ciclo                                   
BUCLE1  ;
                 decfsz     CONTADOR1          ; 9F x 1 ciclo + 1 ciclo = 160 ciclos       
                 goto       BUCLE1             ; 9E x 2 ciclos = 316 ciclos                
                 movwf      CONTADOR2          ; 1 ciclo                                   
BUCLE2  ;
                 decfsz     CONTADOR2          ; 9F x 1 ciclo + 1 ciclo = 256 ciclos       
                 goto       BUCLE2             ; 9E x 2 ciclos = 316 ciclos                

;;;;;;;;;;;;;;;;;;;;;;;;;;;;;;;;;;;;;;;;;;;;;;;;;;;;;;;;;;;;;;;;;;;;;;;;;;;;;;;;;;;;;;;;;
;; Esta parte reinicia el WDT                                                          ;;
;; Quita o comenta este comando para ver que hace el WDT.                              ;;
                 clrwdt                        ; Esto simplemente reinicia el WDT.
*************** Retorna desde nuestra rutina Retado***************
                 return                        ;  
                 END                           ;

Si comentas o quitas la instrucción CLRWDT, verás que el PIC no pasa de iluminar el segundo LED. Esto es debido a que el WDT hace que se reinicie el PIC. Con el CLRWDT en su sitio, el programa funcionará como debe.

Referencias

Avatar de Desconocido

Autor: Sphinx

Robotics enthusiast

16 opiniones en “Tutorial de Programación de PICs en Ensamblador”

  1. Jesús Como estas? Estoy casi terminado un documento en word de lo publicado por ti en este blog, como puedo contactarte para enviártelo así lo ves antes de que tu prefieras publicarlo. Saludos

    Me gusta

    1. Muchísimas gracias Juan Manuel. Me alegra muchísimo leer comentarios como el tuyo, y ver que el tutorial le es de ayuda a más gente, además de a mi mismo en su momento.
      La idea de pasarlo a PDF ya me tentó en más de una ocasión. No lo he llevado a cabo sobre todo por falta de tiempo. Y en realidad también me perjudica mi excesivo celo a la hora de que el formato de todo el documento sea lo más vistoso posible. Entre mis intenciones estaba el pasar todos los recuadros de código que se muestran en esta página a un formato coloreado, que permita distinguir comentarios, instrucciones, variables, etc… y eso conlleva un trabajo adicional a sumar al tiempo que el hecho darle formato implica.
      En caso de que termines ese PDF, y si quieres que lo enlace desde esta página, no dudes en darme un link.

      Un saludo,
      Jesús.

      Me gusta

      1. Excelente Jesus!!!….seguramente en esta pagina hay una tarea ardua de tu parte….Enorme trabajo una vez mas!!! En el caso que haga la conversión a pdf y esta quede bien…con gusto comparto el archivo..

        Un abrazo Cordial

        Le gusta a 1 persona

  2. Quisiera saber como averiguar los estados de unos bits estoy tratando de a ser un programa que manualmentw escribo los datos con. Un dip switch y después tengo que a ser un programa en un pic para ver esos datos pero a ora desplegados en un display

    Me gusta

    1. Hola Christian, el modo más sencillo de visualizar datos en cualquier microcontrolador es llevarlos a un puerto de salida. En el caso de un PIC como el 16F84 , si se trata de 8 bits puedes utilizar el puerto B completo, y conectar en todos los pines correspondientes diodos LED.
      La segunda mejor opción es utilizar un display.
      Y la tercera sería enviarlos a un puerto serie de tu PC e imprimirlos por la pantalla de tu ordenador.

      Estas dos últimas son más complejas.

      Me gusta

  3. QUISIERA ENTENDER SI POR EJEMPLO ESE MOVLW QUE SIGNIFICA O ESO ES PERMANENTE O UNO LO PUEDE CAMBIA Y LO QUE VA DESPUES DEL ; TAMBIEN HAY QUE ESCRIBIRLO EN EL PROGRAMA O ES UN EJEMPLO SUYO PARA Q UNO ENTIENDA… PORFA AYUDAME NECESITO A´PRENDER A PROGRAMA EN PIC POR UNA MATERIA EN LA UNIVERSIDAD TE AGRADEZCO SI REPONDES

    Me gusta

    1. Hola gdelgado. Te recomiendo que leas detenidamente el tutorial. Está explicado de una manera muy sencilla, y posiblemente muchas de tus dudas que planteas se van a resolver en cuanto avances unos cuantos capítulos. De hecho, esas preguntas que haces están contestadas en él. Ánimo con él!

      Me gusta

Deja un comentario